

第1页 / 共12页

第2页 / 共12页

第3页 / 共12页

第4页 / 共12页

第5页 / 共12页

第6页 / 共12页

第7页 / 共12页

第8页 / 共12页

第9页 / 共12页

第10页 / 共12页
试读已结束,还剩2页,您可下载完整版后进行离线阅读
THE END
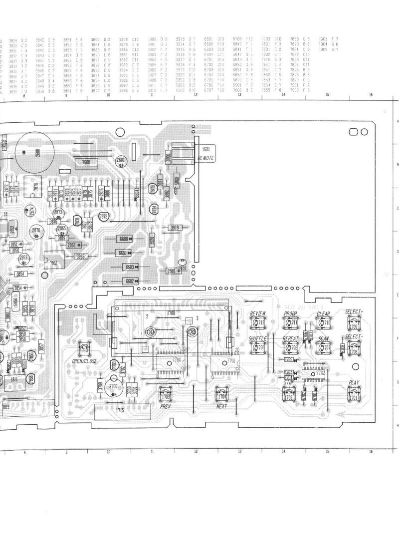
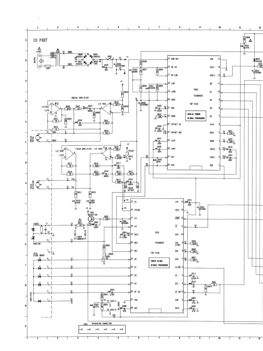
Compact disc player AK601Service/00/01/05/10/17/40/45ServiceService45281A11Service ManualdiscCONTENTSDIGITAL AUDIOConnections and controlsSpecificationService programDismantling of the setExploded view(tray)2234677Mechanical partslist(tray)Circuit diagram CD-PART-10Alignment instructions11Printed circuit board (componentside)11-12Circuit diagram CONTROL-PART13-14Wiring diagram(copperside)15-1Mechanical partslist (set)>Exploded view (set)17-1●Electrical partslist19SVarning!Osynlig laserstralning nar denna del ar oppnad ochsparren ar urkopplad.Betrakta ej stralen.DR Advarsel!Usynlig laserstraling ved abning nar sikkerhedsafbrydereer ude af funktion.Undga udsaettelse for straling.SP Varoitus!Laite sisaltaa laserdiodin,joka lahettaa nakymatontasilmille vaarallista lasersateilya.CLASS 1LASER PRODUCTDocumentation Technique Service Dokumentation Documentazione di Servizio Huolte-Onie Manual de Servicio Manual de ServicioepeSubject to modification482272522646
请登录后查看评论内容