

第1页 / 共12页

第2页 / 共12页

第3页 / 共12页

第4页 / 共12页

第5页 / 共12页

第6页 / 共12页

第7页 / 共12页

第8页 / 共12页

第9页 / 共12页

第10页 / 共12页
试读已结束,还剩2页,您可下载完整版后进行离线阅读
THE END
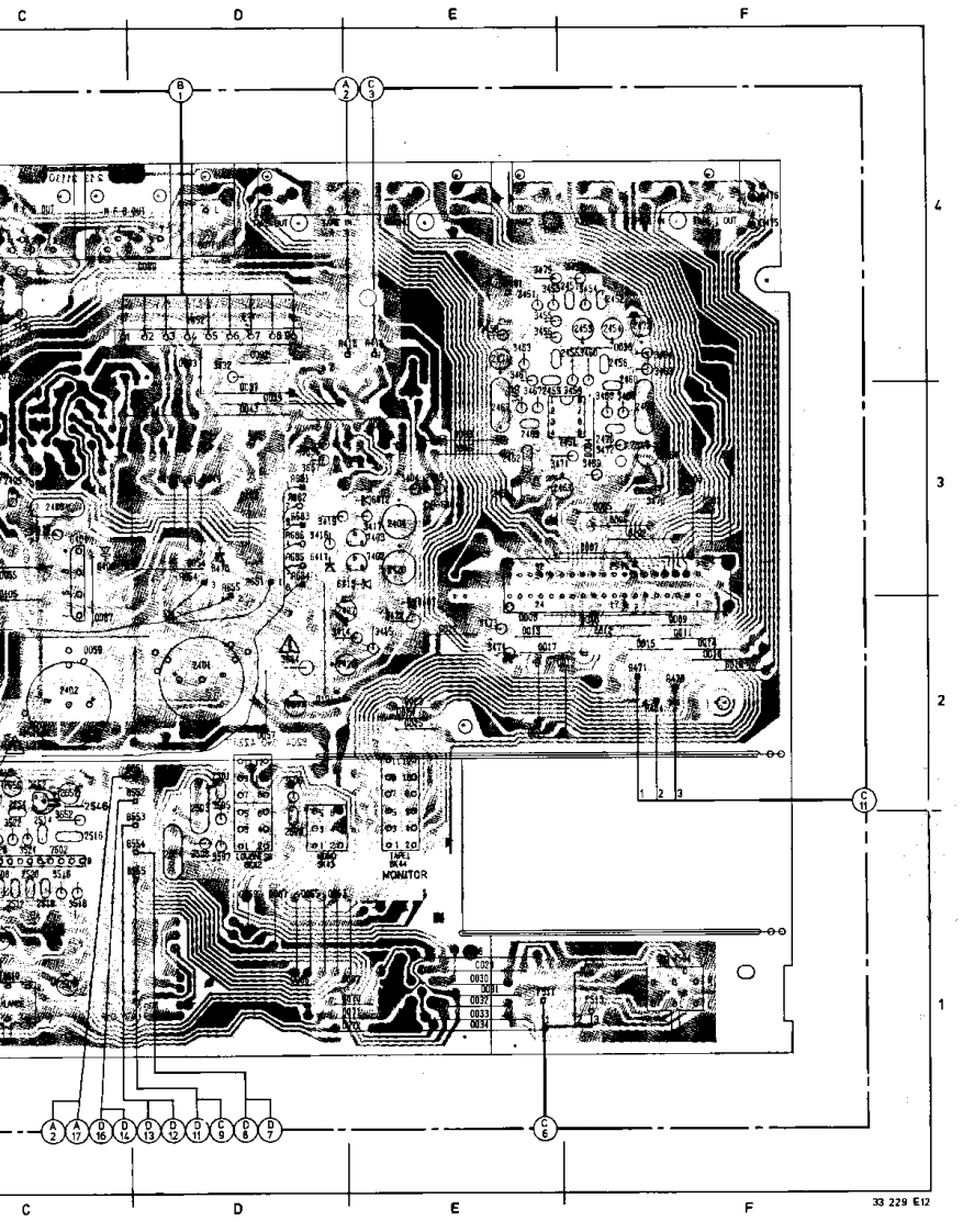
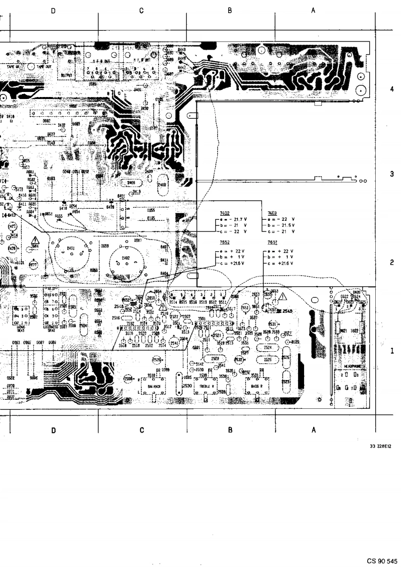
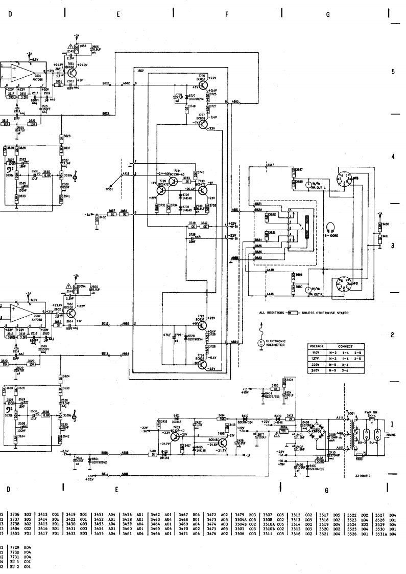
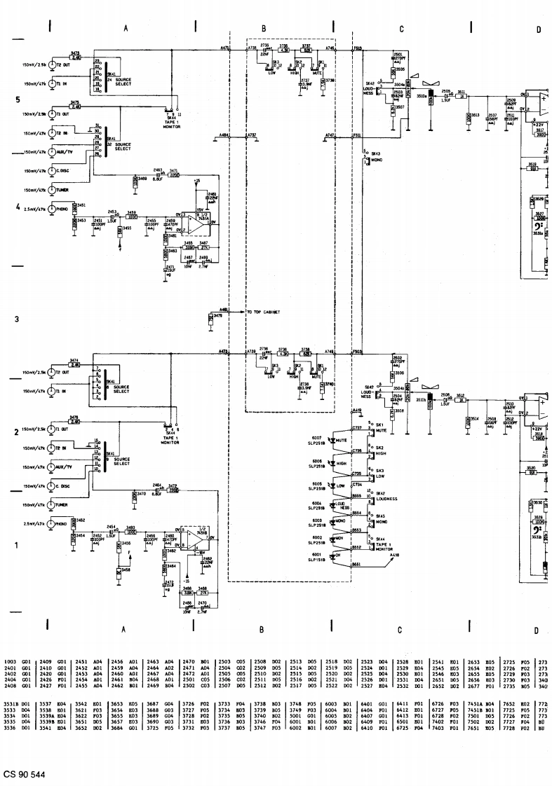
Met dankaan www.radiomuseum-hengelo.nl Hi-Fi pre-amplifier F3434/00ServiceServiceGoedgekeurd33578GoedgekeurdService ManualSPECIFICATIONSAmplifierInputs (for 1 V output at 1 kHz)Rated output voltage:↑Vat1000nPhono MD2.5 mV at 47 knDistortionTape 1 and 2150 mV at 47 knTHD0.004%at 1 V for 1 kHzCompact Disc150 mV at 47 knIM:0.01%at1VTV/Aux150 mV at 47 knFrequency responseTuner150 mV at 47 knPhono inputs:30-20.000Hz,±1dBOther inputs:20-20.000Hz,±0.8dBOutputsS/N ratioPhono inputs75 dB weightedTape 1 and 2150 mV at 2.5 knOther inputs92 dB weightedLine1 V at 1 knStereo separation50 dB at 1 kHzHeadphone8-1000040dBat250-10.000HzPhono overload:160mV(at1kHz.D=0.3%)Power supplyMains voltages220 V AC.with service solutionControlsfor 110,127 and 240 VBass+12 to-12 dB at 40 HzPower consumption:≤5WTreble+12 to-12 dB at 20 kHzLoudness+9 dB at 40 Hz;+5 dB at 10 kHzCabinetHigh filter6 dB/octave,--3 dB at 6 kHzDimensions (wxhxd)320x54/60x247 mm approx.Low filter6 dB/octave,-3 dB at 200 HzAudio mute:-20dBBalance control:0-50dBDocumentation Technique Service Dokumentation Documentazione di Servizio Huolte-Ohje Manual de Servicio Manual de Servicio"Pour votre securite.ces documentsSubpect to modificationdolvent dtre u1iis南par南scalistes agreis.uhh购l折◆p482272515705PHILIPS0reD4材w:t自白n1gPrinted in The Netherlands
请登录后查看评论内容