

第1页 / 共12页

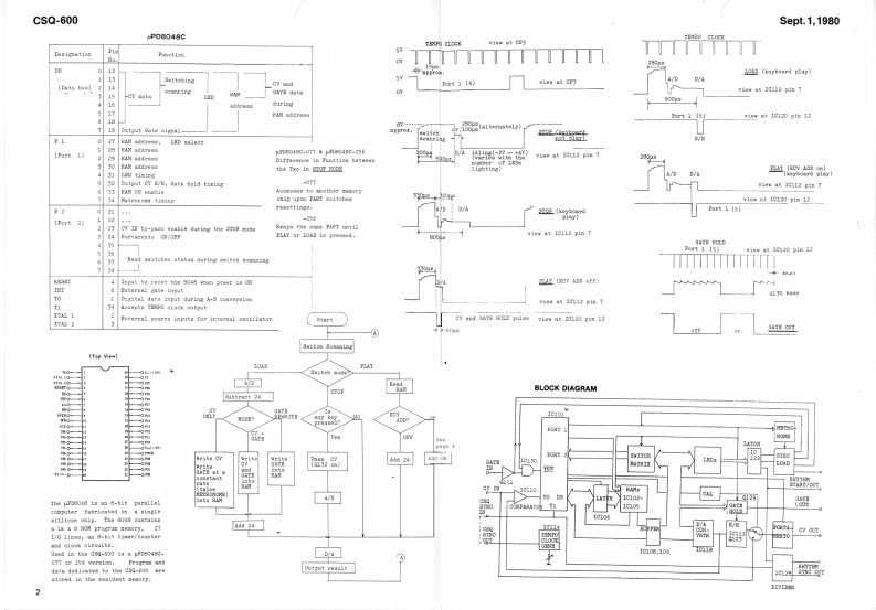
第2页 / 共12页

第3页 / 共12页

第4页 / 共12页

第5页 / 共12页

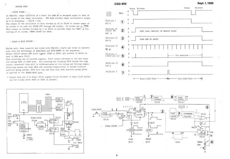
第6页 / 共12页

第7页 / 共12页

第8页 / 共12页

第9页 / 共12页

第10页 / 共12页
试读已结束,还剩2页,您可下载完整版后进行离线阅读
THE END
sapt.1,1980CSQ-600CSQ-600 SERVICE NOTESDISASBEMBLYFirst Edittion20A9Tg0盟,1128a5goo24a8o8P88188,xpt①-④4 axirn8 torage capa01y-==600n0tea《15Dnat●8/F8rt×4)OP8114 can be renored off the top panel by unncrewing at the foil aide andCV ------Input 1V/oot,or to +5V:Output lV/ost,-27 to +BVby pulling out TBNPO and TIX3 moba on the top panel.Inut=hr8a014+2.57;0atmt-0f1:07,0e1+15VCLOCK -Output Inpat 700E to 4.7kHSwitehSIEP PULSE INPUTThreshold +2.5V8TART 8TOP FUL833 TNPU?----3DG5001-1(001-215JClose-Open or *15V10078ZART PUL83 OUIPUP ----------Norral:OV,IOAD or FLAY:+15V8D05001-2(001-216)117V0阳114STOP PUISB OUIPUTNoreal:+157,IOAD or PLAY:OVPower ccmsuaption8 watts3D95F502《001-217)220/240VD10na1c始a-0F115到e1的t-Power traneforor8.5B 1ba022024J1007E图9100v022H024-A1177F8E401102H024D220/2407P3E41220/240VPar1H75〔072075】Switcbea8tB-622-18P8《001-256】8w1teh8T3-623-1BP8001-201】Rubber bushinge no,20 (058-020)”In order:1 g FCB replacement,auffix alphal上et to the name,1fny:Pot.EVHIMAD2SB153w1tch88B02335-12Pw(01-183}(00-951)Rubber foot G-5 (111-021)8w1tah83B02242-12w(001-182】Batt0nno,6(016-008)Sorewe 3 x 20mn Tru8.BrScreva 3 x 10 am tap-tight B,1BD130601R(019-009】binder②8 areNe(11 pleces】3x10nnfe,B时rap-t1的t,b1nd3 I Grn Ye.BrRubber foot 0-7 (111-023]Knob no.103(016-103}8w1tC白0v/buttonPot.TXLORK20B16(028-766Bcrewa 3 x 10 m Pe,Br,tap-tight 3,binder80K41167(C01-276】Side panel H21(066H021】Switchset of R L1ncr307622009-012)DIN oorneetor88B02355-12PW006g00o66a00四(001-163)008025008-o88(15429604】Switches v/button⑦3cg41168〔00m-275】When ordering keyawsteh,4029-577)Serews 3 x 10 m Fe,Br,tap-tight B.binderdenote the legend.RolandPrinted in Japan AE-2 1
请登录后查看评论内容