罗兰Roland-Cube-15–30-(2003)-Service-Manual维修服务手册说明书含电器原理图

罗兰Roland-Cube-15--30-(2003)-Service-Manual维修服务手册说明书含电器原理图-找手册网
罗兰Roland-Cube-15–30-(2003)-Service-Manual维修服务手册说明书含电器原理图
此内容为付费资源,请付费后查看
2831
付费资源

第1页 / 共10页

第2页 / 共10页

第3页 / 共10页

第4页 / 共10页

第5页 / 共10页

第6页 / 共10页

第7页 / 共10页

第8页 / 共10页

第9页 / 共10页

第10页 / 共10页
已完成全部阅读,共10
THE END
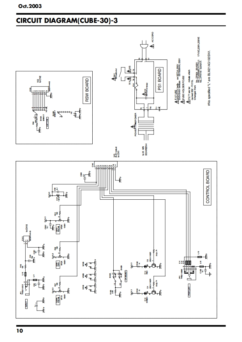
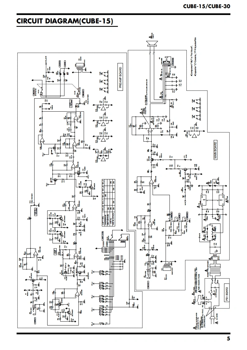
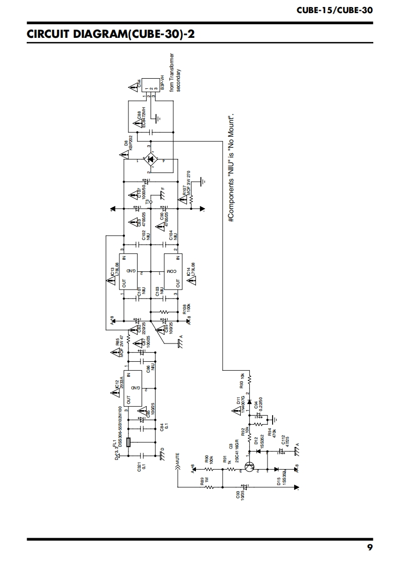
0ct.2003CUBE-15/CUBE-30DB2155ADDITIONALSERVICE NOTESCUB30Second editionIssued by RJACHANGE INFORMATIONWe can supply the spare parts mounted on PWB board.Please refer to following items.PARTS LIST(CUBE-15)....CIRCUIT DIAGRAM(CUBE-30)-3.........10PARTS LIST(CUBE-30)......3CIRCUIT BOARD(CUBE-15)..4.CIRCUITDIAGRAM(CUBE-15).........................5.CIRCUIT BOARD(CUBE-30).6CIRCUIT DIAGRAM(CUBE-30)............08CIRCUIT DIAGRAM(CUBE-30)-1.....8CIRCUITDIAGRAM(CUBE-30)-2.........................9.olanCopyright 2003 ROLAND CORPORATIONAll rights reserved.No part of this publication may be reproduced in any form without the written permissionof ROLAND CORPORATION.Roland17058193E1Printed in Japan(0800)(NB)
喜欢就支持一下吧
评论 抢沙发

请登录后发表评论

    请登录后查看评论内容