

第1页 / 共28页

第2页 / 共28页

第3页 / 共28页

第4页 / 共28页

第5页 / 共28页

第6页 / 共28页

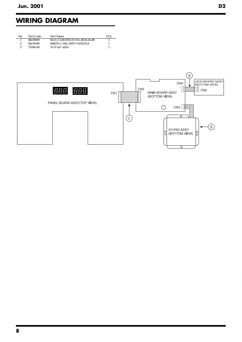
第7页 / 共28页

第8页 / 共28页

第9页 / 共28页

第10页 / 共28页
试读已结束,还剩18页,您可下载完整版后进行离线阅读
THE END
Jun.2001D2SERVICE NOTESGracveboxIssued by RJASPECIFICATIONS......2CIRCUIT BOARD(MAIN)....LOCATION OF CONTROLS PARTS LIST .....22CIRCUIT DIAGRAM(MAIN 1/2)...........4LOCATION OF CONTROLS5CIRCUIT DAIGRAM(MAIN2/2)............................6EXPLODED VIEW PARTS LIST6CIRCUIT BOARD(PANEL/JACK)...8EXPLODED VIEW..CIRCUIT DIAGRAM(PANEL/JACK).................32WIRING DIAGRAM.8ERROR MESSAGES…34PARTS LIST..........10CHECKING THE VERSION NUMBER......14USERS DATA SAVE AND LOAD..14RESTORING THE FACTORY SETTINGS..14SYSTEM SOFTWARE UPDATE PROCEDURE.........15TEST MODE.16BLOCK DIAGRAM..20RolandH00可(6ò666666CLP CYM BOM/FERC HIT OTHERJ▣▣▣▣$▣▣▣▣PN VILDLS◎@▣▣▣▣尚尚向白GreaveboxCopyright 2001 ROLAND CORPORATIONAll rights reserved.No part of this publication may be reproduced in any form without the written permissionof ROLAND CORPORATION.Roland17058005E0Printed in Japan(0800)(CR)
请登录后查看评论内容