

第1页 / 共22页

第2页 / 共22页

第3页 / 共22页

第4页 / 共22页

第5页 / 共22页

第6页 / 共22页

第7页 / 共22页

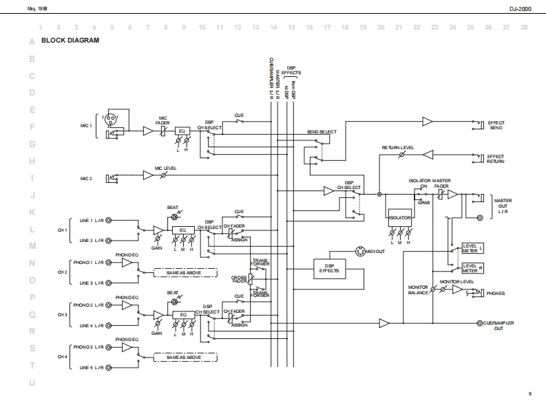
第8页 / 共22页

第9页 / 共22页

第10页 / 共22页
试读已结束,还剩12页,您可下载完整版后进行离线阅读
THE END
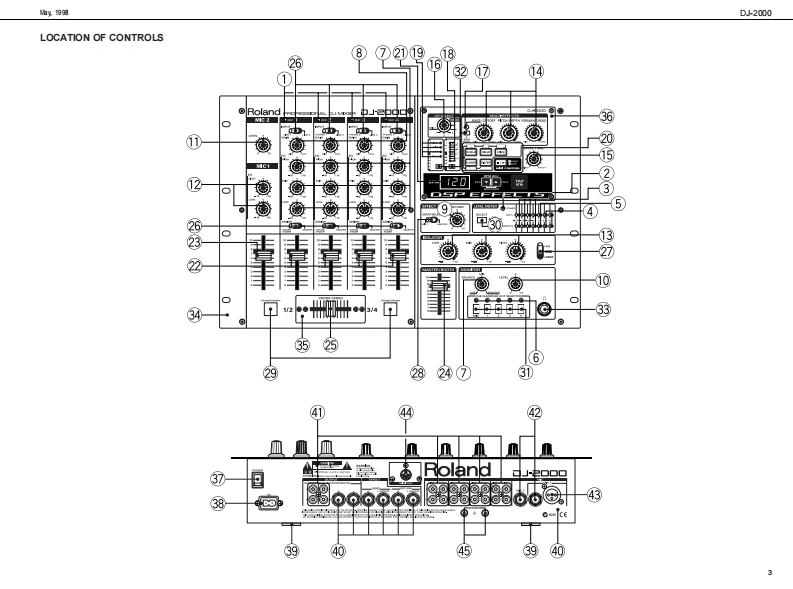
hy的D-2000□J-己▣▣▣SERVICE NOTESMAIN SPECIFICATIONSINPUT AND OUTPUT STANDARDSFirst EditionSpecifcdioeaIssued by RJA20Hz-20Hz dBCAIN min)●T@al Harmaie Distoticn05%er kas20Hz te 20Hz ratd euput)SNR山erw80cBngut tor minated wih 15022.IHF-A.Typ)Cresstl-70日er kHz between chamd约TABLE OF CONTENTSPage-0日erleHz betweenL and R)SPECIACATONS/NPUTAND OUPUT STANDARDHOH:t2kHz shdving type)MO:t8日3Hz制gpLOW:t8日0 zshdving typ)HOHw+12日MO5-m+12日IDENTIFYING THE VERSION NUMBER..LOW5-w+12日AC100M5080HZLAC117VAC230VAC240Vewer Casunpticfre me me mo35CIRCUIT BOARD48200x10线011190H0m(J)DSPB0 ARD ASSY/71018267)===·=10(W12-14(Dx4-76H)inchesIXER BOAFD ASSY10 OI)/PHONES0期CTD1约ee性wnr88g/181O0纪A0141O0DD16==mOna内Manual Endish70a72③铺0闭从S的建内D和BA的0壁明====AC Cod00V:性30929)117W30220芮DD1A的代0P防0D2A的Tt底0230V:a30221)口DD的01世正NRM塔DDA■■■24WA:性30222)CIRCUIT DIAGRAMDSPBARDASSY0e幽Fader for replacing:cX-1MDER BOARD ASSY 1/3.inthe irterest of pod过mprovement,he specifications and br甲earance of hi6nte过ta由ge without prior noticeMDER BOARD ASSY 2/3MDER01 RDASSY33+PH0ES:================lnpul StandaedJACK BOARD A+JACK BOARD B.ingut Sedet Rated ingut LevelNo-Cip Mi,lrpu nput imped ano/s8Cia坐PS1+PS2+TRANS BOARD ASSY-==19有C1501B245mM-101B245mM]282mR.331TPG.日SWBOARD A ASSY201A"TRSPHONEUNBAL)SW BOARD B ASSYC2501日245m]-101日245mW】23MIDI BOARD ASSY.LNE1-6201Bm77L5m]08m775mv)2】0AN.)0N.ma时+41日123W】+21日230CAN mm2Nw用H001-3551813am03583W0金RCAON。)CAIN ma-3dB22W)508manV)GAN-mn)RETURN-104Bm245mM)+1012450014PHON目Ouput Sodudt Rated Oupu Levd Nen-dip Max Ouput OupuType efConeetosM8T正R0uT+4日mL23的+201a用75n0021APHONE0d8n0775y]+16n4RCASEND OUT -101Bm(45nV)+10日m2.452AMPLEROT-10创8n245mM+10创日n245232C4PHONES10STEREOPHONE08n0.775Copyrig ht 1998 by ROLAND CORPORATIONAll rights reserved.No part of this publication may be reprodced in any fom without the writan permission ofROLANDCORPORATONRoland 17059928Printad in Japan (CR)ACEO 1
请登录后查看评论内容