

第1页 / 共28页

第2页 / 共28页

第3页 / 共28页

第4页 / 共28页

第5页 / 共28页

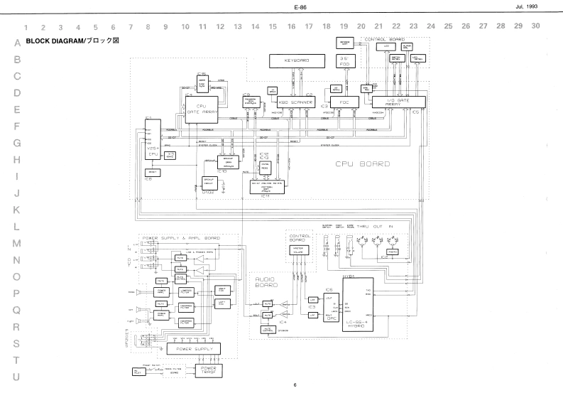
第6页 / 共28页

第7页 / 共28页

第8页 / 共28页

第9页 / 共28页

第10页 / 共28页
试读已结束,还剩18页,您可下载完整版后进行离线阅读
THE END
Jul,199E-86三-5SERVICE NOTESSPECIFICATIONS/仕横INTELLIGENT SYNTHESIZERFirst EditionTABLE OF CONTENTS目次PageSPECIF月CAT0NS………·t样---------……1D引485E/BLY·4…4·分解手桶444444444141144▣1L0 CATION0FC0NT0儿Ss1=1=1=1s1s1=1=1=1m:5米儿配置回=1=1=11F1F11F1=11=1=1=1F1=1=1=2EXPLODED VEW (N0,1】…·分解☒(N0.1》CHAN3ENF0AT0N-··----44·宝更累内444444443EXP0DED0E09a::分解回N02):,,,,,:4KEYBOARD PARTS LIST........................KEY但0A日0D的4S岁E胆LY-……………·键发分解手顺…“5目儿00XCG月%M小:4:4:4:44444::4414:4181gブ口y夕回1s1s1g1s1■1■1■1=1■1ss1s131s1313316PA月TSST111111111111111111111111n1n1nn”/一)入h:=====**=·7、8TEST MODE...-.-.-.-学卜毛-……8一11ECOVERING FACT0 RY DATA··フ了夕卜y-子-夕D口-方法1aa1n1n1110ENT门FYING VERS0 N NUMBE开1"1n1111=1=1”/f一艺s痛宽方法::=:=:**,+12UD引0TET--…-才一学才学-…12DATA54EL04D444-夕-/口-1n112、13MAINS PCB ASSY (or MANS BOARD)...........MAINS PCB ASSY (or MAINS BQARD)--.....14HEADPH0EPC8 A5SY or HEADPHONE B04RD-··HEADPHONE PCB ASSY for HEADPHONE BOARD)·-·14RIGHT CONTACT PCB ASSY+RUBBERRIGHT CONTACT PCB ASSY+RUBBER(or RIGHT CONTACT BOARD]..(or RIGHT CONTACT BOARD)-.-15LEFT CONTACT PCB ASSY+RUBBERLEFT CONTACT PCB ASSY+RUBBER(or LEFT CONTACT BO4HD·····(or LEFT CONTACT BOARD)...16AUDO PCB ASSY (or AUDO BOARD]...AUDIO PCB ASSY (or AUDIO BOARD.....17RIGHT CONTROLS PCB ASSYRIGHT CONTROLS PCB ASSYor RIGHT CONTROL BOARD]··(or RIGHT CONTROL BOARD)..18.19LEFT CONTROLS PCB ASSYLEFT CONTROLS PCB ASSYr LEFT CONTROL BOARD)....or LEFT C0NT月OLB0AFD…-20、21CPU PCB A8S"Y (or CPU BOARD)-----....-.-....CPU PCB ASSY (or CPU BOARD).........22.23POWER SUPPLY AMPLIFIER PCB ASSYPOWER SUPPLY AMPLIFIER PCB ASSY(@POWER SUPPLY&UIFIER BOARD助”or POWE讯SPY&,风IFE开BOARD·24、250学一25-28D1 SASSENBLY/分解手顺0SIkScr Bottom Copnot Paby rerdvo seren x t5 p2 289131)Rh 16 n TCPARZRoland17053712Hrt回mnpm20C形1
请登录后查看评论内容