

第1页 / 共89页

第2页 / 共89页

第3页 / 共89页

第4页 / 共89页

第5页 / 共89页

第6页 / 共89页

第7页 / 共89页

第8页 / 共89页

第9页 / 共89页

第10页 / 共89页
试读已结束,还剩79页,您可下载完整版后进行离线阅读
THE END
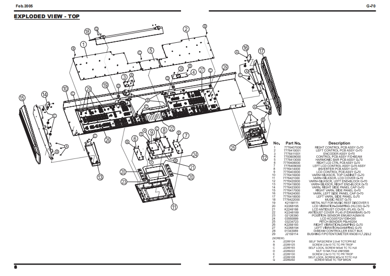
Feb.2005G-70-7SERVICE NOTESSecond editionMUSIC WORKSTATIONIssued by RESTABLE OF CONTENTSSPECIFICATIONS23CIRCUIT DIAGRAM (AUDIO 1/4)80DISASSEMBLYCIRCUIT DIAGRAM (AUDIO 2/4)82LOCATION OF CONTROLS6CIRCUIT DIAGRAM (AUDIO 3/4)EXPLODED VIEW (TOP)CIRCUIT DIAGRAM (AUDIO 44)EXPLODED VIEW(BOTTOM)oCIRCUIT BOARD (HARMONY)86KEYBOARD PARTS LIST12CIRCUIT DIAGRAM (HARMONY 1/2)8PARTS LIST14/18CIRCUIT DIAGRAM (HARMONY 2/2)90WRING DIAGRAM20CIRCUIT BOARD CIRCUIT DIAGRAM (INVERTER)INFORMATION UPDATING MUSICAL DATAOPERATIVE SYSTEM22CIRCUIT BOARD (MIDI)92UPDATING OF MUSICAL DATACIRCUIT DIAGRAM (MIDD)FACTORY RESET25CIRCUIT BOARD CIRCUIT DIAGRAM(LCD CONTROL)96UPDATING OF THE OPERATIVE SYSTEM26CIRCUIT BOARD (RIGHT CONTROL)98CHECK THE SOFTWARE VERSION29CIRCUIT DIAGRAM (RIGHT CONTROL 1/4)100TEST MODE29CIRCUIT DIAGRAM (RIGHT CONTROL 2/4)102BENDER CALBRATION45CIRCUIT DIAGRAM (RIGHT CONTROL 3/4)104TOUCH SCREEN CALIBRATION46CIRCUIT DIAGRAM (RIGHT CONTROL 4/4)106BLOCK DIAGRAM48CIRCUIT BOARD CIRCUIT DIAGRAM (RIGHT CONTROL LCD)108CIRCUIT BOARD (MAIN)50CIRCUIT BOARD CIRCUIT DIAGRAM (LEFT CONTROL LCD)109CIRCUIT DIAGRAM (MAIN 1/14)52CIRCUIT BOARD (LEFT CONTROL)110CIRCUIT DIAGRAM (MAIN 2/14)54CIRCUIT DIAGRAM (LEFT CONTROL 1/6)112CIRCUIT DIAGRAM (MAIN 3/14)56CIRCUIT DIAGRAM (LEFT CONTROL 2/6)114CIRCUIT DIAGRAM (MAIN 4/14)CIRCUIT DIAGRAM (LEFT CONTROL 3/6)116CIRCUIT DIAGRAM (MAIN 5/14)60CIRCUIT DIAGRAM (LEFT CONTROL 4/6)118CIRCUIT DIAGRAM (MAIN 6/14)62CIRCUIT DIAGRAM (LEFT CONTROL 5/6)120CIRCUIT DIAGRAM (MAIN 7/14)63CIRCUIT DIAGRAM (LEFT CONTROL 6/6)122CIRCUIT DIAGRAM (MAIN 8/14)64CIRCUIT BOARD CIRCUIT DIAGRAM (HARMONIC BAR)124CIRCUIT DIAGRAM (MAIN 9/14)66CIRCUIT BOARD CIRCUIT DIAGRAM (POWER)126CIRCUIT DIAGRAM (MAIN 10/14)68CIRCUIT BOARD CIRCUIT DIAGRAM(SRX)128CIRCUIT DIAGRAM (MAIN 11/14)70CIRCUIT BOARD CIRCUIT DIAGRAM (PHONES)130CIRCUIT DIAGRAM (MAIN 12/14)72CIRCUIT BOARD CIRCUIT DIAGRAM(ENCODER)130CIRCUIT DIAGRAM (MAIN 13/14)74CIRCUIT BOARD CIRCUIT DIAGRAM(D-BEAM)130CIRCUIT DIAGRAM (MAIN 14/14)76CIRCUIT BOARD (CONTACT)132CIRCUIT BOARD (AUDIO)78CIRCUIT DIAGRAM(CONTACT)134Copyright 2005 by ROLAND CORPORATIONAll rights reserved.No parts of this publication may be reproduced in any form whithout the written permission ofROLAND CORPORATION.RolandSN00081K6018563Printed in Italy
请登录后查看评论内容