

第1页 / 共25页

第2页 / 共25页

第3页 / 共25页

第4页 / 共25页

第5页 / 共25页

第6页 / 共25页

第7页 / 共25页

第8页 / 共25页

第9页 / 共25页

第10页 / 共25页
试读已结束,还剩15页,您可下载完整版后进行离线阅读
THE END
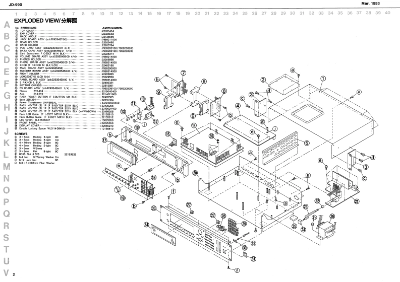
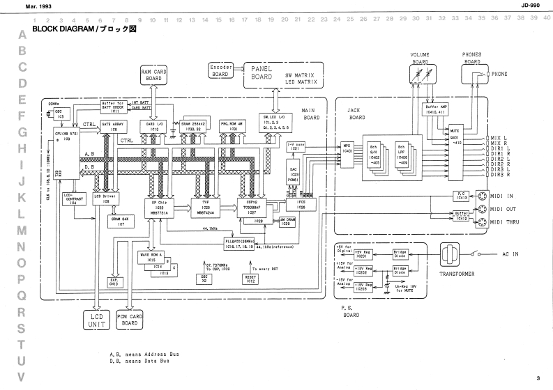
MaF.1993JD-990▣-99▣SERVICE NOTESSPECIFICATIONS/仕樣First EditionSYNTHESIZE7M▣▣ULE7 Pur-1 BelVEI悬大风味究数TABLE OF CONTENTS目次Page0T布出方SPECIFICATIONS号7PANELEXPLODED VIEWBLOCK DIAGRAMブy7回-3中4PARTS LIST45TEST MODECIRCUIT BOARD (MAIN)基板回MAN---·11CIRCUIT DIAGRAM (MAIN 1/2)回挡同MAN1☒:12CIRCUIT DIAGRAM (MAIN 2/2)回路回MAN2……-·13CIRCUIT BOARD (JACK)基板园AGK9·14tlemal4a.144CIRCUIT DIAGRAM (JACK)回路图ACK烟15242442444444444444444444444444CIRCUIT BOARD基板园(PS/PCM CARD/DATA CARDYJUMPER)(PS/PO CAPO/DATA CARD/JUMPERO.16nt'CIRCUIT DIAGRAM回路区(PS/PCM CARD/DATA CAROIJUMPER)(PS/PCM CAFD/DATA CARD/JUMPERO..175CIRCUIT BOARD基板区(PANEL /ENCODERPHONE/VOLUME)PAE/E00DER/PH0E/OUE···18CIRCUIT DIAGRAM区路网R-V80DATA Cad jM-25a(PANEL /ENCODERPHONE/VOLUME)0PE/ENCODER/PHOE/OUwE·--····19MAC-4715250100CHANGE INFORMATION密更案内111111111111”11120Rt中得A解PANEL/バ*儿☒LEo80这1树有料FLESCTNDIH BLKLEDOvn150a620图SLA-1SHWFENOODER NNOOKN B IF R-KNOB M BLKOLORACK POWER BUTTON22483211男4丝8R4A风F S-BUTTONN VX BLKWOLUVELCIECAOOTI色C5W11123a20aDSPLAY COVIR2222374TOP CONERAT11413月3文28麟W205524HIH BLK日1均5DCLBI TV-5204J的命师,:帝常常帝南雷第·ACK KEYTOP肉IPRACK KEYTOP D)IP-Cad Cansedar 4P22357513482功224010S-KEYFS-KEYTOP SDIN BLK7530335AYTO242574122W240WM41W1W深F0t0011M用0MTPA4LSLH-308VC A414245L025250Y2P2200L特小wJC0-C4EPC-LT2-A1H13ia0EV0-2I5-04w100aRoland1705067BPrinted in Japan AF10 (DP)1Copyrght 199a by ROLAND CORPORATION
请登录后查看评论内容