

第1页 / 共25页

第2页 / 共25页

第3页 / 共25页

第4页 / 共25页

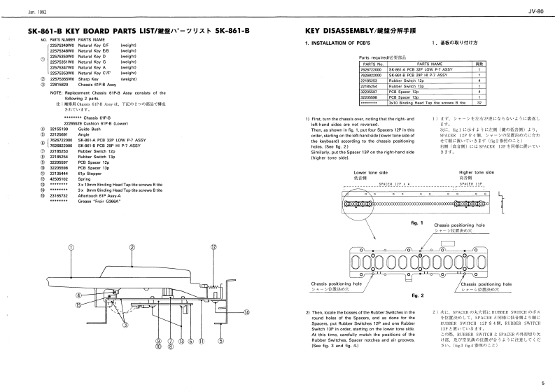
第5页 / 共25页

第6页 / 共25页

第7页 / 共25页

第8页 / 共25页

第9页 / 共25页

第10页 / 共25页
试读已结束,还剩15页,您可下载完整版后进行离线阅读
THE END
an.1932JV-80V-B▣SERVICE NOTESMULTI TIMBRAL SYNTHESIZERFirst EditionERRATA&SUPPLEMENT is attached进the end of the page.专最终页配正规表&追加情鞭多门生寸,TABLE OF CONTENTS目次PageSPECIFICATIONS/仕模SPECFICATIONS仕得CKEv8040一-一-一…81 y Iwvelecity,m4 rtoschl1OMAXIMUM POLYPHONYLOCATION OF CONTROLS...代家儿配图回14444444-…-2OMEMORYExPL00EDWI1EW-…分解同......-罗刂天卜Pertormance烟Rhyhme SetKEY BOARD PARTS UST健经1一之又卜111911111111111115·P动刷KEY DISASSEM相LY一健整分解手顺-4…7Rhythm Sat;1PresetBPaichWING DIAGRAM7下少之5岁中7号么…7ParioranceTESTAODE ...于天卜毛一KHhn多at:1把hMEMORY INITALZATION.-..-...内宿RA州①初明化9=1=11111:1用Deta Card---16DENTIFYING VERSION NUM相ER--…(一沙7之②方法…11Ahythm Sat 1DATA SAVEALOAD.....子=夕0七=プ/口-下4i=4444444…12一15OEFFECTHOW TO MOUNT THE EXPANSION BOARD工7天岁当·术一5》收付方法……15Rewerb a typesODISPLAYMAIN...................MAIN B0A明DA5SY-==-----…16.17OPOWER SUPPLY15w¥SWA日0A月DAS5Y-=SVW-A00 ARD ASSY-r19111=11111111m111ii1u18.1904M0SW-B BOABDAss..5W-日0ARD85Y---…18193阁-31a间t218410iA311320H0iw5框GT+.JACK B0ARDA8sY.JhCK80AR0A55Yii4=4444…20.2到OACCESSORIESOwner's Marusl Set HaponeselPN004553POWER SUPPLY BOARD A5S"Y -.-.--P0VEnS以JPPLY0 ARD ASSY-==*=…22Owner's Marual Sat IEnglshPW0204554CCord IDetachub以港峡式0…210WDC10J01PNo 1303135117V SJTZP 16AWGED UC-704Na12a1202习WEC271D-06Wn12aa012024e5720420 a hwthin FU2:Na222311024V%8C415-J283PW13a24140OOPTIONSExpanaion里ougVemary Card M-2团IBatery r Merory Card CH2D16 PNa.1254D07)Sound PCM CardRoland17059628Printod in Japan IAGEOI (CRI
请登录后查看评论内容