罗兰Roland-KM-60-Mixer-Service-Manual维修服务手册说明书含电器原理图

罗兰Roland-KM-60-Mixer-Service-Manual维修服务手册说明书含电器原理图-找手册网
罗兰Roland-KM-60-Mixer-Service-Manual维修服务手册说明书含电器原理图
此内容为付费资源,请付费后查看
1921
付费资源

第1页 / 共7页

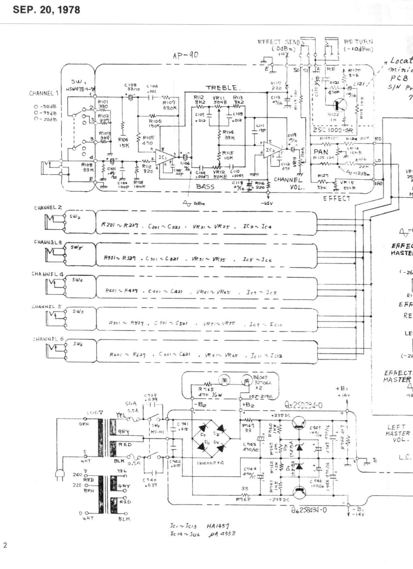
第2页 / 共7页

第3页 / 共7页

第4页 / 共7页

第5页 / 共7页

第6页 / 共7页

第7页 / 共7页
已完成全部阅读,共7
THE END
mixerKm-60SERVICE NOTESOO©OOO3▣SSKm-603GRolandPrinted in Japan
喜欢就支持一下吧
评论 抢沙发

请登录后发表评论

    请登录后查看评论内容