罗兰Roland-MG-80-Guitar-Amp-Schematic电器原理图

罗兰Roland-MG-80-Guitar-Amp-Schematic电器原理图-找手册网
罗兰Roland-MG-80-Guitar-Amp-Schematic电器原理图
此内容为付费资源,请付费后查看
1921
付费资源

第1页 / 共3页

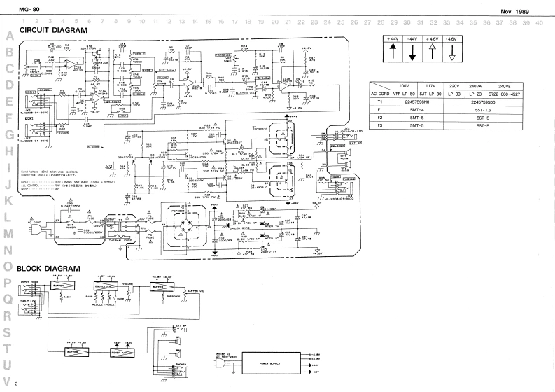
第2页 / 共3页

第3页 / 共3页
已完成全部阅读,共3
THE END
Now.1999MG-80⑤E▣SSMG-80SERVICE NOTES0 ami smowl rew×8f6sGUITAR AMPLIFIERFirst Edition5x30mm Fet Pe BLK TrunsBackboirdSPECIFICATION.021147263006/联DU片n士立n12出1770820HL.0521-01-110开D划G13448123Tm:8警221s775820nPARTS LISTPONER SOHJMPTIONDMIHIONS0Ae3器V1L47)P2D3位141KA1321e15T)po”PstRK网111464-AW10AK185000P405-AW0KA(12191岁)深阳监13219164RTPoL.过出河163111形41-AW00gAK163111R890-AW2G0KB(1210153T(13219152FDPat#腰智牙区人”使叫国Pat16的111n325:AW00C限K163111P024-Aw78KG(13219151AD(13219102T)HindulH-20州盈出密aA-F1251406Din0d女]G224178500的晒锦Swtrh国icr mas ar fuLD (od)(11291440L-51RD(1002970eTm⊙-oCHL490-01-3070(53449261HmgG2215776800038aor然2160100A21Gam”高”e口▣Bg22175730902西17423300"景Corr PronectorRubbw FoatCatinoe Ass'y隆院C2234T21030G-S[2101T210200(12359104”出出图:RolandPrinted in Jassn Al-2 (DP)1Oepyright 0 t09 by ROLAMD CORPORATION
喜欢就支持一下吧
评论 抢沙发

请登录后发表评论

    请登录后查看评论内容