

第1页 / 共33页

第2页 / 共33页

第3页 / 共33页

第4页 / 共33页

第5页 / 共33页

第6页 / 共33页

第7页 / 共33页

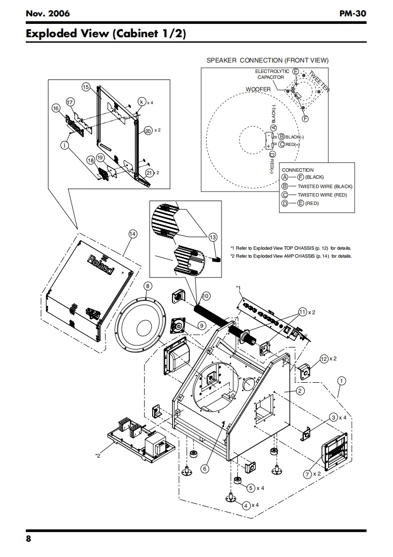
第8页 / 共33页

第9页 / 共33页

第10页 / 共33页
试读已结束,还剩23页,您可下载完整版后进行离线阅读
THE END
Now.2006PM-30PM-30SERVICE NOTESPersonal MonitorIssued by RJATable of ContentsCautionary Notes....2Test Mode.....17Block Diagram20Package Contents.4Circuit Board(Main Board 1:Preamp/PS Amp/Location ofOutput)...........22Location of Controls Parts List......7Circuit Board(Main Board 2:Preamp/PS Amp/Exploded View(Cabinet 1/2).8Output)......24Exploded View (Cabinet 1/2)Parts List....................9Circuit Diagram (Preamp/Output Board 1/2)............6Exploded View (Cabinet 2/2)........10Circuit Diagram (Preamp/Output Board 2/2)............8Exploded View (Cabinet 2/2)Parts List..........11Circuit Diagram (PS Amp Board 1/2)........30Exploded View (Top Chassis)...........12Circuit Diagram (PS Amp Board 2/2).....................32Exploded View (Top Chassis)Parts List...13Circuit Board (ack Board 1)........34Exploded View(Amp Chassis)....14Circuit Board (Jack Board 2)......35Exploded View (Amp Chassis)Parts List.................15Circuit Diagram (Jack Board)......36PartSRolandCopyright@2006 ROLAND CORPORATIONAll rights reserved.No part of this publication may be reproduced in any form without the written permissionof ROLAND CORPORATION.Roland17058435E0Printed in Japan (0390)(SC-MZ)
请登录后查看评论内容