罗兰Roland-RE-150-Space-Echo-Service-Manual维修服务手册说明书含电器原理图

罗兰Roland-RE-150-Space-Echo-Service-Manual维修服务手册说明书含电器原理图-找手册网
罗兰Roland-RE-150-Space-Echo-Service-Manual维修服务手册说明书含电器原理图
此内容为付费资源,请付费后查看
1921
付费资源

第1页 / 共10页

第2页 / 共10页

第3页 / 共10页

第4页 / 共10页

第5页 / 共10页

第6页 / 共10页

第7页 / 共10页

第8页 / 共10页

第9页 / 共10页

第10页 / 共10页
已完成全部阅读,共10
THE END
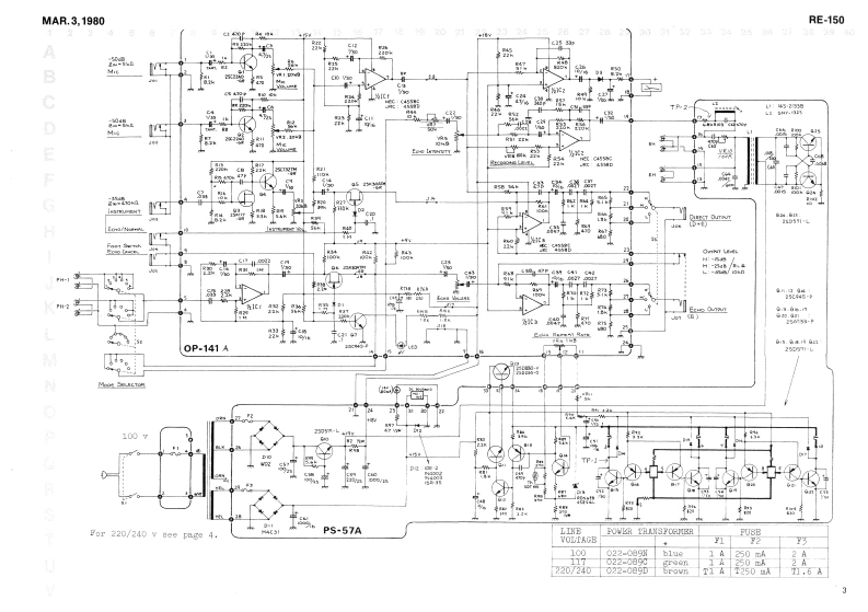
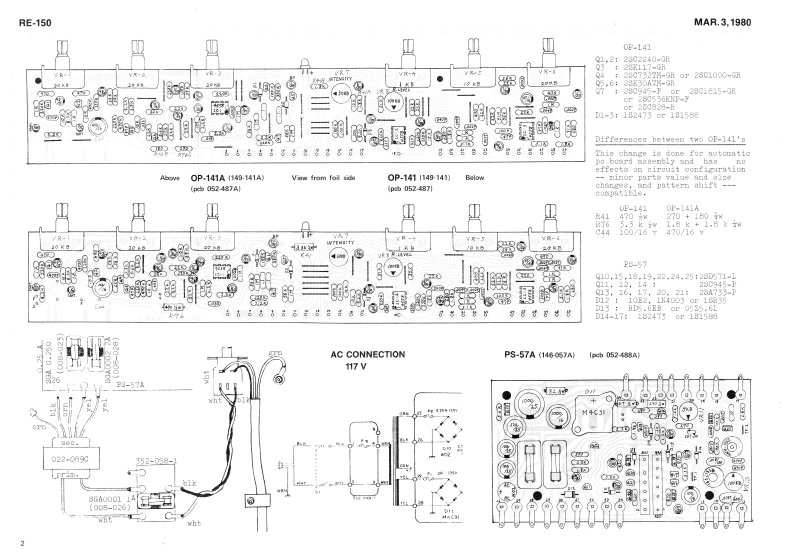
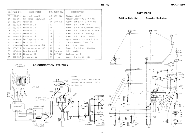
MAR.3,1980RE-150RE-150 SERVICE NOTESRE-150 BLOCK DIAGRAMFirst EditionStcond Printies IJaly 12.1983 E2)Input SenaitivityHI0:3.16wm8{-50aB}ror39G1fi●utputI8H:17,8wm8《-35aB)Input InpedanceMIC:5 k-ohm;INSTRUKEN?:470 k-ohm0utut1eve1-----------H:178mw《-15aB】;W:56,2yrme(-25dB)Lu117.日Ym8〔-54BOutput Inpednnee-------Leas than 2 x-chnBetter then6DB@hae1aW11ne==--=---0n5-600maPower Consunption...16 vntts2n是10n5=■======■====415(w)x186(b}x31D(4)mVeight ---8.2ggFotentionetersFace screw no.12NIC,INSTRUNKIT.ECHO:BVCP3AP15 20 kB(026-478)(123-012)REPEAT RATE:BVCT3AP151k0(025-476)INTENSI7Y:BVCT3AP15 10 kB (026-477)Avitch〔072-278》320463R15(001-281)Sx1 teh SDG5P-001(001-156】.B0bna.58(016-058utto0n9.9D1k【016-0091 op pane1na.1日Knob no.57Hand1e H-15Netor EKP-2410(06-01日)(016-057108-0047(D46-004)里ootG-9(111-030)RolandCebinet-h0:134(081-134》SRACE ECHO中自通Jack1-252态香可(009-006里oatG-5《111-02a)SwitchJaekwnsher no.18L3D3LP-11且3521-1-1Waaher no.192U-253-8red《121-018(019-c13(001-018)grm121-019)1009-002)RolandPrinted in与pnA31
喜欢就支持一下吧
评论 抢沙发

请登录后发表评论

    请登录后查看评论内容