罗兰Roland-RS-09-Service-Manual维修服务手册说明书含电器原理图

罗兰Roland-RS-09-Service-Manual维修服务手册说明书含电器原理图-找手册网
罗兰Roland-RS-09-Service-Manual维修服务手册说明书含电器原理图
此内容为付费资源,请付费后查看
1921
付费资源

第1页 / 共10页

第2页 / 共10页

第3页 / 共10页

第4页 / 共10页

第5页 / 共10页

第6页 / 共10页

第7页 / 共10页

第8页 / 共10页

第9页 / 共10页

第10页 / 共10页
已完成全部阅读,共10
THE END
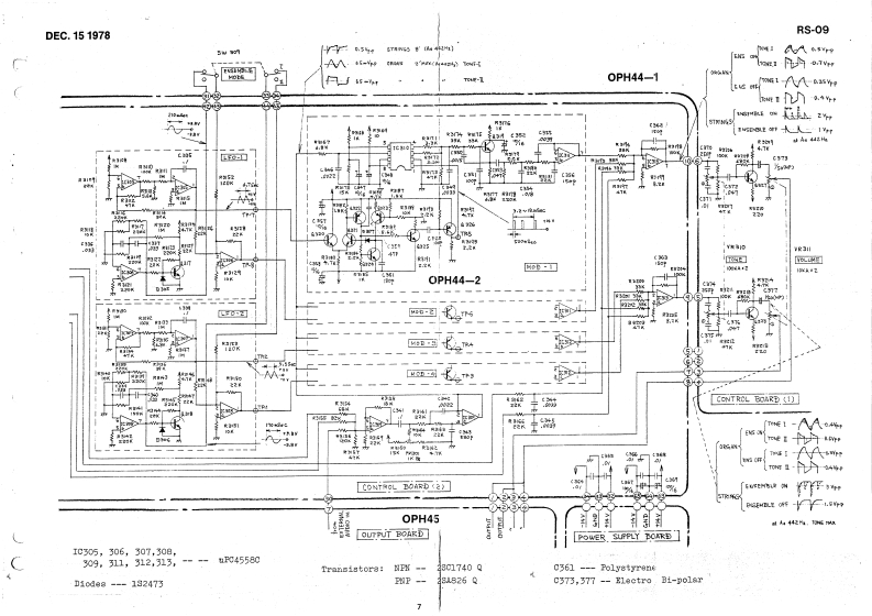
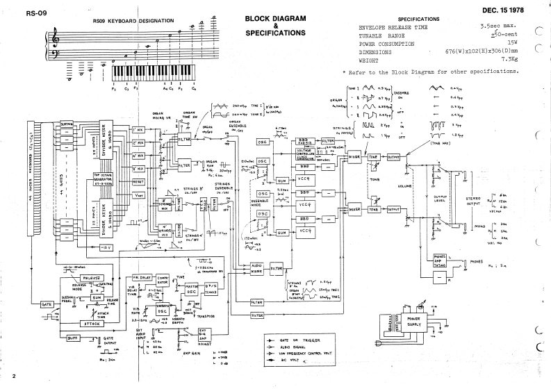
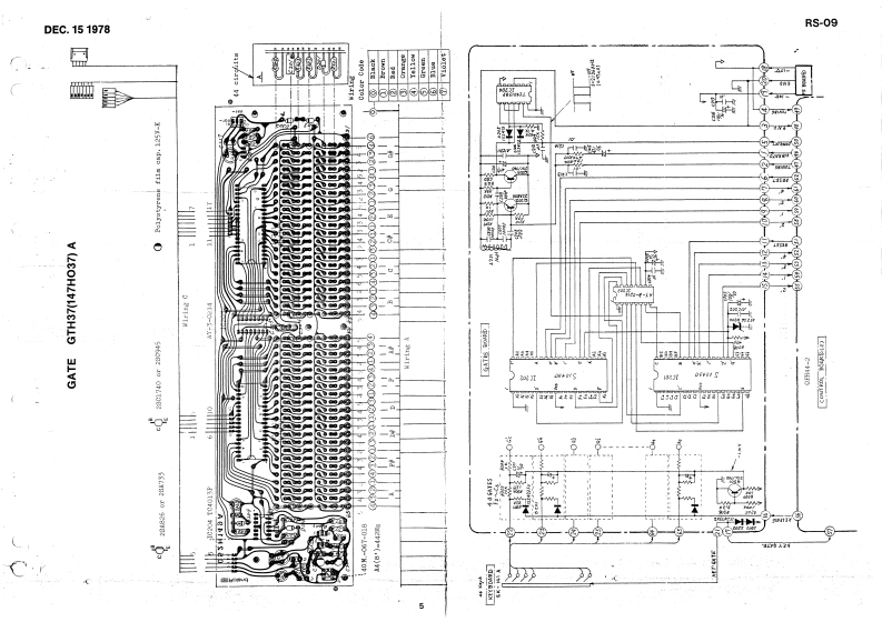
DEC.151978RS-09RSO9 SERVICE NOT正S40H44-2044-1PCB Helder5DGP001-1DLCB54H064244001-215100%SDGSP 001-2CONTENTS001-2181117%091-171220240WH72A (064H072A)PageDiogsembly Parts Layout,................................1Block Ciagram Specifkotions .............................2053H0391Circuit,.......................................3053H0380PH64 Control PCBs..................4H7GTH37G.........................................543117240m0ph44C0 ntrol Dgm…6,7PSH36/37/38 Pewer Suppty ............................---8Kmyboond...................................-.--.------9Keybourd SK-141A 1004-0121ind44G裙G列H04GDISASSEMBLY PARTS LAYOUTTOPCOVER REMOVAL SCREWS:①through@3x10 mm Tap-tight Binding4e时Br1000012②through@36 m Self-tap ng Binding Head8Hn43g0T204Kagb0.5了718033到0180一07PoL.GMTORK20A14P0002007升Stnp ne 1256-012110KAx2位601Add legand when ardering675$可50然LED(171-0011Lg1I0t90301SIde SvttheJack 807713 no.B itreoHSw0372-0100Sut如hn.&1009-000-201016008④566x 10mm Tap-tigh:Bngn号490r-Feo1 G-51111-02111102Bnhm020038020Roland corperationPrinted in Jagan
喜欢就支持一下吧
评论 抢沙发

请登录后发表评论

    请登录后查看评论内容