罗兰Roland-RV-100–RX-100-Reverb-Service-Manual维修服务手册说明书含电器原理图

罗兰Roland-RV-100--RX-100-Reverb-Service-Manual维修服务手册说明书含电器原理图-找手册网
罗兰Roland-RV-100–RX-100-Reverb-Service-Manual维修服务手册说明书含电器原理图
此内容为付费资源,请付费后查看
1921
付费资源

第1页 / 共4页

第2页 / 共4页

第3页 / 共4页

第4页 / 共4页
已完成全部阅读,共4
THE END
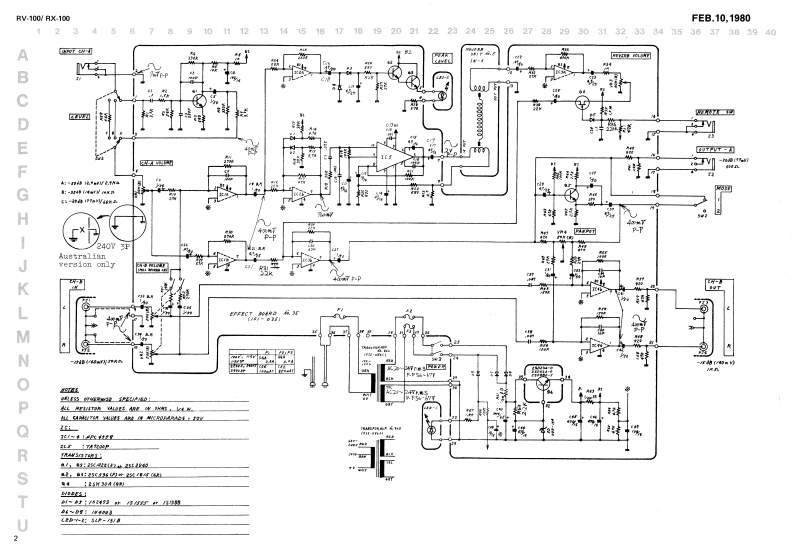
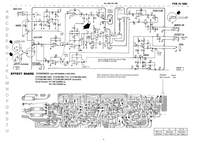
FEB.10,1980RV.100/RX-100RV-100/RX-100 SERVICE NOTESSecond EditionPARTS LISTWoV,7.19830SPECIFICATIONSParts repraeanted1 a nev code《8-10 diait》HthPOTENTIOMETERe14 for1121911402-4B1EVRAPAJ61854 OE EVHEPAP20856PART NO.OLD ND.Namre and depeription11219752D2E-401EWDCJP20854 oePanN35181300名5=158一1a1atmCover(case)H-B1222107942235010111l-l20OU-20212S91l1111=010ELECTROLYTIC CAPACITOR22100012-213RY-100 parel frentDnwm3写2221007L成-100paEe1Er8和t136391420032-10CEA0wI1■fd50W2221004012-214hs-polar了口1T笔n2241016906L-L62A136399310@32-154ECEA2SAR74,7f@25224011016043bs-polart of four)1238910040-003DISASSEMBLYP346L-91134402SEMICONDUCTORJACKRomgse four sorews (4 x Emm BHI on the bettom15125316017-01014491070e9=0238G-763078234-01512901100 nd1344960009-02915129117017-01425C1E41-F OY 25C224D-B15129102017-01728c516-F0r201B1-CR15129114】SWITCH151316的017-01628A州-n1018015143Pat.13119127091-0015-222(bk》7ower1501520s018-0225w0220511de2T1403diode111g1060e1-145LEDLED50230811de3元a51s35-200(1501520)IWKO冈P20e5411321214ar1315910J031-166r5-5500G《1501920T0)diodaSL13185LR1318018-01002Z-15A or(102811611029110162(15019560)o12192G2长作右PCBPOWER TRANSFORMER05zLSU19619n122470112Q78101610021450121C1027-086C24-121G1100/117w15025116019-013LF-1318214501740D22-0w4074-126D120/240W15185105020=057uPCASSIC15953020=028TA7200FI5 old15199511TAJ238FIC5 nevPCB2191016100051-307711666005OTHERS00291016060m032-12922150501420-01Leng nut31G5-TA7231P2224010a65-1tCover sllde wltehCop4b1v1h87-15(02-32】22020111065-191CoverSpecify Lire Veltage far obtaining21%101D105】-1thEortac车望r1 n vien arder1nR12199519012-00holdetHolder11e00rCord Strain relief 1-6301FUSE125410047-023Cor4e1野10a125591040-024SCA 0 5A midget 100/11791255950400-056GaT100Ar1m.229/20WSince th山parta1tdall used0回-060CET230Mse,329/140W4P rt and vhere1t1w12559504uned will help factory to f511 your order prampt-1y.Jack8080精tshSwitch13449107升58M02320Panel58M0220SP.2022 1blk11131610力NV-1C022210703升97441313012力nX-1C022210707)Sorews 14 pel2010120'ne reed to remeve for00(123501141744907川8eDs12270101川Rolandrinted in与pan AE2
喜欢就支持一下吧
评论 抢沙发

请登录后发表评论

    请登录后查看评论内容