罗兰Roland-S-MPU64-Midi-Processing-Unit-Service-Manual维修服务手册说明书含电器原理图

罗兰Roland-S-MPU64-Midi-Processing-Unit-Service-Manual维修服务手册说明书含电器原理图-找手册网
罗兰Roland-S-MPU64-Midi-Processing-Unit-Service-Manual维修服务手册说明书含电器原理图
此内容为付费资源,请付费后查看
1921
付费资源

第1页 / 共7页

第2页 / 共7页

第3页 / 共7页

第4页 / 共7页

第5页 / 共7页

第6页 / 共7页

第7页 / 共7页
已完成全部阅读,共7
THE END
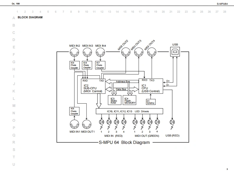
0过.S-MPU64S-MPU64SERVICE NOTESSPECIFICATIONSS-MPUB4Sueer MPU:64 Chamd MOI ProoessingFirst EditionUnz64 CHANNEL MIOI PROCESSNG UNITIssued by RJA◆Comdcto时rMDIComectrs(N x4.OUT x4)US8 Ceneeter.Power Supply:日s-eewer ed3 egied tomTABLE OF CONTENTSPageunder 0.5 mA (Suspend mod年0 imems ioe:8-580x3-5/8(0xkSPEC月CAT0NS==============3/4 (H)incheEXPLODEDVIEW.280x990)美30H)m幽能BLOCK DIAGRAM0.7g票Ae比s时出堂S年aU侧DiwDPARTS山ST==========-(H0美年05533角05807TEST MODE」s9Ce2m美年0形41CIRCUIT BOARD-Ower's (71223034CIRCUIT DIAGRAM"in the interest of preduet improvement the5gaemdSYSTEM REQUIREMENTSThe mirimum systam requiremens for Super MPUB4ww量mam边RolandSerM尸L☐Ga6SBeu.Cempasble OS:Micresoft Windews9824"Operale e MS-D0Stand in an MS-DOS*wndew iooo awO■.Compasble PC:IBM PCIAT and compatitlesg年ped with US8 conecte的4口NOO红T0幻454505685TCs0-0451LEDE可LEDGREEN)L-184ADVIDL-的40MoL-184AD/ID0西超GUCx起PeniuP rooesdor /188 MHz erFLONT FANELhigher.Display ResoltiongA年3B ar mor●#Hard Da年1 MB or meneAtheugh Rdand has tested rumereus corfiguratiosand has detemmined that on average a csystem similar to that坐当a在ad abeve wil po8rnili73nomal eper aticn o he Super MPU64.Roland eannetMIDI CONNECTOR如定Wquarantee that a given cemeuter can be usedU里C0 NECTOR灯5-0480i7BINDNG TAPTITE P38wh he Suee MPU64 based sekly an theTis is45-0002cause there are to0 many dther vara自sh速myinfuence the prooessng environment indudingdimerenoes n mothertoard design and the particuarcemtinatien d ghe devees invelvedCopyright 1998 by ROLAND CORPORATIONrigh nesarved.物四td能ha的n mybe ne prod山d n any omwihout the writen pommisson ofROLANDC0F0 RATIONRoland17059945Printed in Japan00C角1
喜欢就支持一下吧
评论 抢沙发

请登录后发表评论

    请登录后查看评论内容