

第1页 / 共13页

第2页 / 共13页

第3页 / 共13页

第4页 / 共13页

第5页 / 共13页

第6页 / 共13页

第7页 / 共13页

第8页 / 共13页

第9页 / 共13页

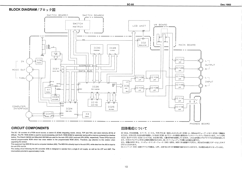
第10页 / 共13页
试读已结束,还剩3页,您可下载完整版后进行离线阅读
THE END
Dec.1993sc-50SOUNDCanvasSERVICE NOTESSPECIFICATION/仕樣MIDI SOUND GENERATOR SC-50First Edition●代4111i1i51515515111151151515111F1行115t:1得0G有线月aainan Pollpho明t44444t4i444t4:得g6TABLE OF CONTENTS目次Pagea样体O作当手■TVFC士eqn以同caSma3aErwelope (ssck.D年RhWSPECIFICATIONS仕持·小4小4小11111111111111WVCC4 PACITY111111115111111F1F=11111=1:售间3W2与的EXPLODED VIEW分娟回-………………2●33儿T444444444444444444444444:C妇mLCD0为25mm轴6cgt时8PARTS LIST《一以小又1111……3◆MPUTER INTERFACETEST MODEIDENTIFYING VERSION NUMBER《一岁3+才一0逍眼····…·8NPUTFACTORY SETUP77夕卜少-▣包y卜了y了…8BULK DUMPIC DATACn232.1=04的1BLOCK DIAGRAM回y夕☒……10wC,h1mNa234ss32制×1CIRCUIT COMPONENTSCIRCUIT BOARD DIAGRAM点Aa-0山14船1灯A的-11U14n数244#24的CIRCUIT DIAGRAM41-2214价数244等期5AG8-243Ek2553584AU-24】A6.244354aOvnar's Navan Sat x Iaf Cable83k4fa040s4hc的cta6e中店nocRS433 Jack-TG727-2*401Cord Hoo★SKrysp2240门342白1升2224514【rorl siew】[Raur viae]AART ATTUMSTRoland⊙■C■▣口MOCG▣▣正▣工▣▣o1 its19118888出▣▣SOLNO CanvasSC-40月1ak喻消Ap水4414YKFS1-50405写5124:07N-131-84F4a5-81-20124492TTD134两1315维9日0信34404Rdland17059730Printed in Japan AFIO (DP)1Copyrigl 193 by noLAND CORPORATON
请登录后查看评论内容