

第1页 / 共21页

第2页 / 共21页

第3页 / 共21页

第4页 / 共21页

第5页 / 共21页

第6页 / 共21页

第7页 / 共21页

第8页 / 共21页

第9页 / 共21页

第10页 / 共21页
试读已结束,还剩11页,您可下载完整版后进行离线阅读
THE END
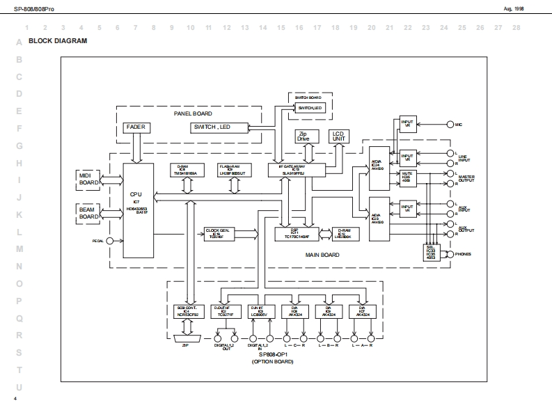
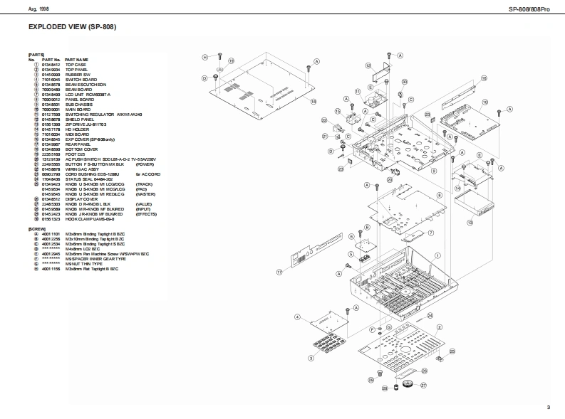
ug第aSP-808808Pr0S尸-日▣日SERVICE NOTESSPECIFICATIONSSP-日▣日ProFirst Edition白cavasamplaRIssued by RJATABLE OF CONTENTSPageSP-808/808PmoSPECIPCATONSLOCATION OF CONTROLS..-XP乳L00EDEW=========IDENTIFYINGVERSON NUMBER....CIRCUIT DIAGRAM BORADsP8080P1SPECIFICATIONS:=============================================8PARTS LS下===CIRCUIT DIAGRAM BOARD==*===-20-21d o凸a石培品品当白点Copyright 1998 by ROLAND CORPORATIONROLAND CORPORATIONRoland 17059930Prirted in Japan (AA00)(R)1
请登录后查看评论内容