

第1页 / 共15页

第2页 / 共15页

第3页 / 共15页

第4页 / 共15页

第5页 / 共15页

第6页 / 共15页

第7页 / 共15页

第8页 / 共15页

第9页 / 共15页

第10页 / 共15页
试读已结束,还剩5页,您可下载完整版后进行离线阅读
THE END
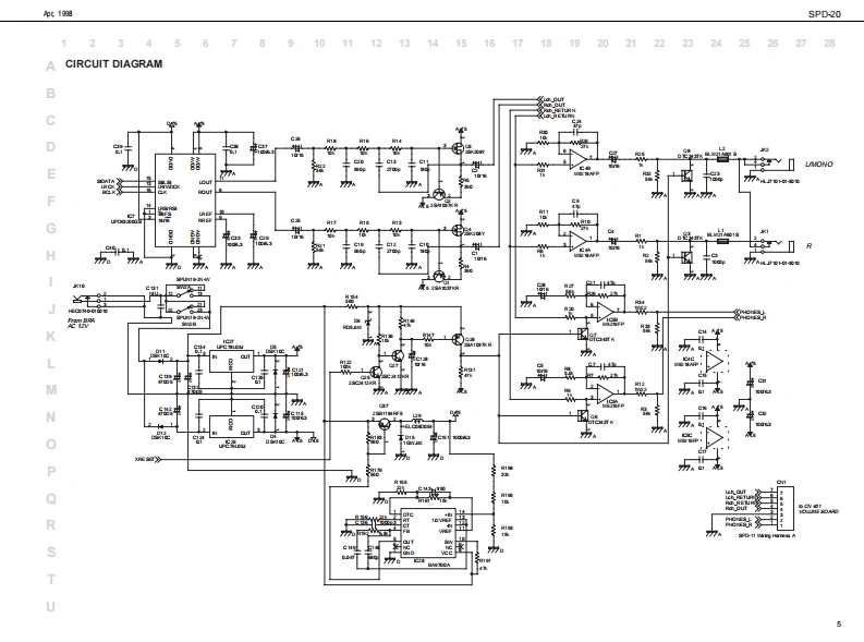
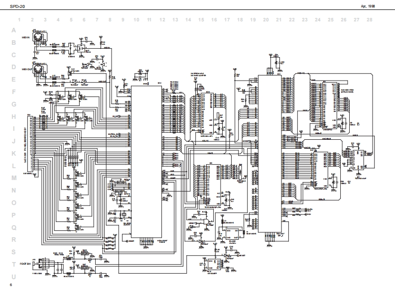
g1线SPD-20S尸口-己口SERVICE NOTESSPECIFICATIONSFirst Edition一EcNT▣TAL PERCUSSIC▣NPA▣Issued by RJAoTABLE OF CONTENTSPageSPEC月CATIONS=========由线LOCATION OF CONTROLS..-EXPLODED VIEW.ARTS LST=============3PANEL BOARD ASS'Y..4OLU八E0 RDASSY======MAIN BOARD ASSY.57以0X AGRAM============p回e马e国,o4o,eLOADING THE FACTORY PRESET DATAaT山套D事DATASAVE ANDLOAD.INDENTIFYING THE VERSION NUMBER--9CHECKING BATTERY VOLTAGE-.ERROR MASSAGES.=13HO TO EXCHANGE THE SENSOR ASSYA儿UM日T==================DATA=========15LOCATION OF CONTROLSa年t与Cf34aDL1到组卫满L白V学的号hf笔A山ab目a翻号行材室后端s在dhad着州U于1城专yTee酸ud封Ts-4i量行的A月主世转n运4仕a心4Copyright 1998 by ROLAND CORPORATIONAll righs neserved.No pat of this pub lca ton mybe re produad in any bmwihout the writen permisson ofROLANDCORPORATIONRoland 17059918Pned in Japan (ACE0C角1
请登录后查看评论内容