

第1页 / 共18页

第2页 / 共18页

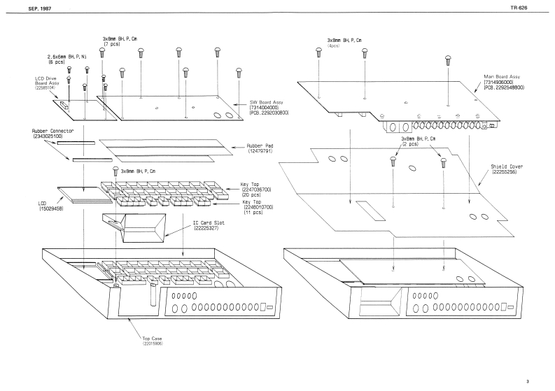
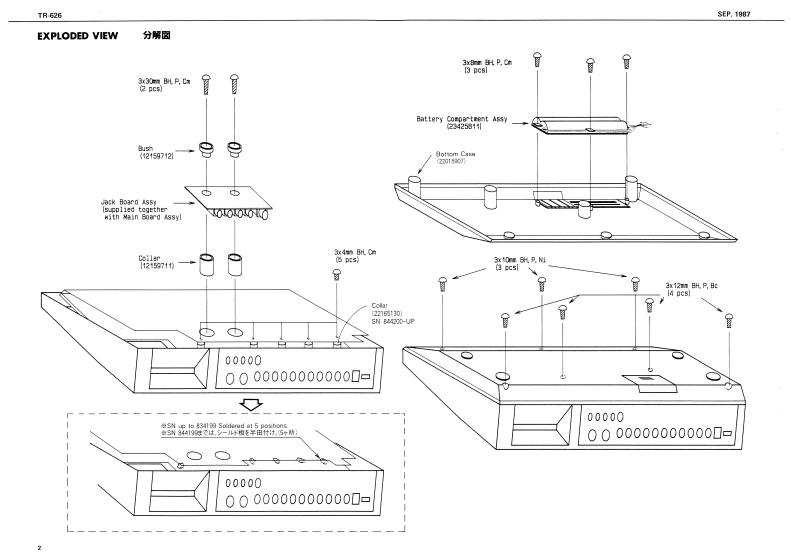
第3页 / 共18页

第4页 / 共18页

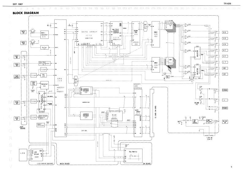
第5页 / 共18页

第6页 / 共18页

第7页 / 共18页

第8页 / 共18页

第9页 / 共18页

第10页 / 共18页
试读已结束,还剩8页,您可下载完整版后进行离线阅读
THE END
SEP.1987TR-626T己-G己SERVICE NO正First EditionSPECIFICATIONS日这mG200,春「,六1GM1n:6D00m45.n4号1物3语fmna背43-240数gneATgI里0月风0b时T网Sp时QIdbrsPome Saardeo DC dry coll YM-20 G pcxor AC Acapre D0匹飞AWtDn属DCty情1514■1582375mCHANGE INFORMATION变更案内Wrige13b42140ah9山yChooesbrisCaameian Cian 11-950Dry cdl SUV-3 6pa.CPU 105 Muin BeorsA21LLA5·x出=C直是表8直Pedul Bwiron DP-3Tre和GU'm a of the dnte of thia■3n]本中一比天/一卜霜行特或下,下孟的满月3随型biffcreaces ong them rre as listed belew物CPU便用2T十Sance the updated nevet cPU is uptard表中3CPU生、上y+儿t、K13K11)0A12K12060ot线ib】efr8wthe学to频6 essors,1t3s信用巴生3)CPU志使期儿t下是4,H2357341bV22770C0240100Mep Too24e01J0Part So.TChange1517270up to BOD199g/laterna】aati■1517326因820004-9幻180P别Progra Bee descriptien belaw.Im6的01T0ot2151732T18204p4/11北想r■Type af interral R例Tan CHAMA8SD网2016941《7世y7点住1511926业同C10.月Sbt P1245114每413504度川arasmanta On Tha E Prpir▣子只学2人欧臭点LEo时【2nd1tntbo1at8LP.14440(15027144tD4o可s4门ickerinc1at4p41nd1 cationxLCD上)子y希著不初+子7专耀城on the L3.4 Implammat the followiag feataras.幸下配的叠能冬丑如134711134413月trumamit/receive MIDI Excluive seaange.D1Ela,身七一梦老五受信节香,Tranemit a song pooltien pointer then a卡号y夕中0小题却个y年一三上道被menwure in the ongoing track 14 dtreotly播宽7包色递★,yy岁成夕乡票米多是是日十五,一内c有Feet-i5512004H05210I12r2213016951103424(134地1RolandPrintod in Japen nA-2 LH1
请登录后查看评论内容