

第1页 / 共49页

第2页 / 共49页

第3页 / 共49页

第4页 / 共49页

第5页 / 共49页

第6页 / 共49页

第7页 / 共49页

第8页 / 共49页

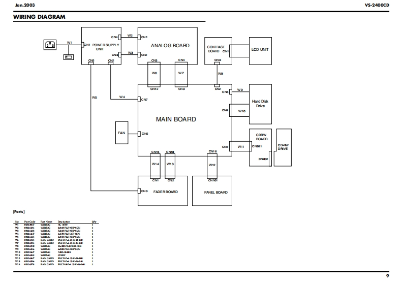
第9页 / 共49页

第10页 / 共49页
试读已结束,还剩39页,您可下载完整版后进行离线阅读
THE END
Jan.2003V5-2400CDSERVICE NOTES24Tn/日5kHz/24bitIssued by RJAIGITAL STUDIO WORKSTATIONTABLE OF CONTENTCIRCUIT DIAGRAM (MAIN 4/8).40LOCATION OF CONTROLS PARTS LISTCIRCUIT DIAGRAM (MAIN 5/8).42LOCATION OF CONTROLS.....5CIRCUIT DIAGRAM (MAIN 6/8).44EXPLODED VIEW PARTS LIST6CIRCUIT DIAGRAM(MAIN 7/8)....46EXPLODED VIEWCIRCUIT DIAGRAM (MAIN 8/8)..48WIRING DIAGRAM.8CIRCUIT BOARD(ANALOG)50PARTS LIST......10CIRCUIT BOARD(ANALOG).....52CHECKING THE VERSION NUMBER..........18CIRCUIT DIAGRAM (ANALOG 1/4).......54SAVING USER DATA&RELOADING SAVED DATA.....18CIRCUIT DIAGRAM (ANALOG 2/4)......56TEST MODE.....20CIRCUIT DIAGRAM(ANALOG 3/4)......58SYSTEMSOFTWARE UPDATE PROCEDURE.........3CIRCUIT DIAGRAM (ANALOG 4/4).60FORMATTING THE HARDDISK..3CIRCUIT BOARD(PANEL/FADER)62BLOCKCIRCUIT DIAGRAM(PANEL)64BLOCK DIAGRAM2.28CIRCUIT DIAGRAM(FADER).......66CIRCUIT BOARD (MAIN).....30CIRCUIT BOARD(CONTRAST/CDRW)..68CIRCUIT BOARD (MAIN)......32CIRCUIT BOARD(CONTRAST/CDRW).…69CIRCUIT DIAGRAM (MAIN 1/8)....34CIRCUIT DIAGRAM(CONTRAST)......70CIRCUIT DIAGRAM (MAIN 2/8)36CIRCUIT DIAGRAM (CDRW).........72CIRCUIT DIAGRAM (MAIN 3/8).38@@@@@@@@:s。。。o。0。o普普共普普共普普”哥888.8,O▣aoCopyright 2003 ROLAND CORPORATIONAll rights reserved.No part of this publication may be reproduced in any form without the written permissionof ROLAND CORPORATION.Roland17058055E0Printed in Japan(0800)(AS)
请登录后查看评论内容