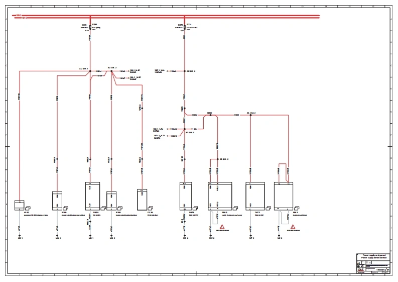
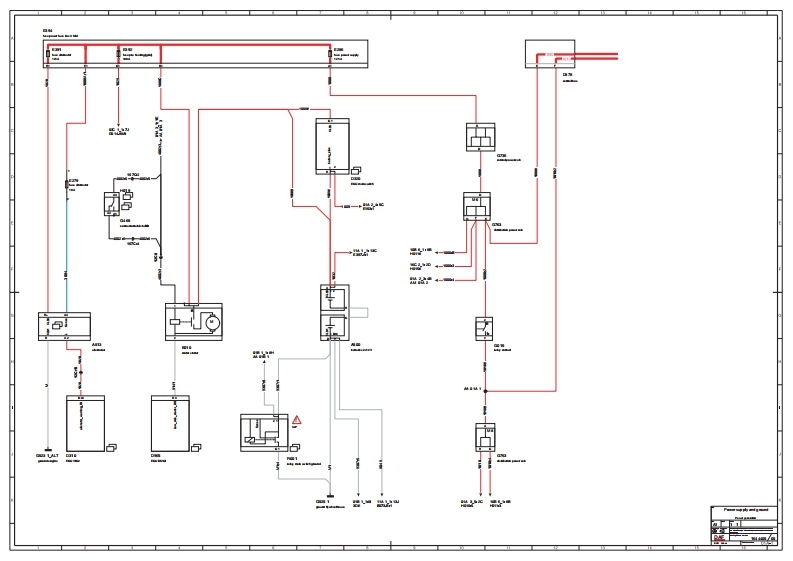
达夫DAFXF105卡车维修电器原理图手册找手册网2小时前发布关注私信8.37MB194页020达夫DAFXF105卡车维修电器原理图手册此内容为付费资源,请付费后查看¥59¥69黄金会员免费钻石会员免费登录购买付费资源 第1页 / 共194页 第2页 / 共194页 第3页 / 共194页 第4页 / 共194页 第5页 / 共194页 第6页 / 共194页 第7页 / 共194页 第8页 / 共194页 第9页 / 共194页 第10页 / 共194页 试读已结束,还剩184页,您可下载完整版后进行离线阅读 THE ENDMan/DAF 文本预览 Electrical system:DiagramsXF105DAF 查看更多 收起部分 喜欢就支持一下吧收藏
请登录后查看评论内容