

第1页 / 共86页

第2页 / 共86页

第3页 / 共86页

第4页 / 共86页

第5页 / 共86页

第6页 / 共86页

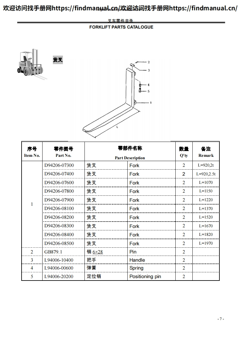
第7页 / 共86页

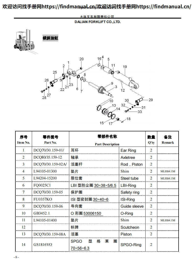
第8页 / 共86页

第9页 / 共86页

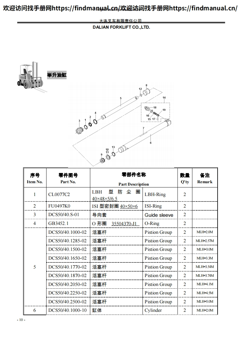
第10页 / 共86页
试读已结束,还剩76页,您可下载完整版后进行离线阅读
THE END
欢迎访问找手册网https:/findmanμalcn,l欢迎访涧找手册网https:/findmanual.cn/叉车雾件且录FORKLIFT PARTS CATALOGUE牛DA LIAN叉车零件目录FORKLIFT PARTS CATALOGUECPCD20CPCD25C-BBC-BBC-CBC-CBCD-DBCD-DBCD-CBCD-CBCD-EBCD-EBCD-FBCD-FBCD-RBCD-RBCPQD20CPQD25QD-FBQD-FBYD-FBYD-FB大连叉车有限责任公司DALIAN FORKLIFT CO..LTD
请登录后查看评论内容