

第1页 / 共234页

第2页 / 共234页

第3页 / 共234页

第4页 / 共234页

第5页 / 共234页

第6页 / 共234页

第7页 / 共234页

第8页 / 共234页

第9页 / 共234页

第10页 / 共234页
试读已结束,还剩224页,您可下载完整版后进行离线阅读
THE END
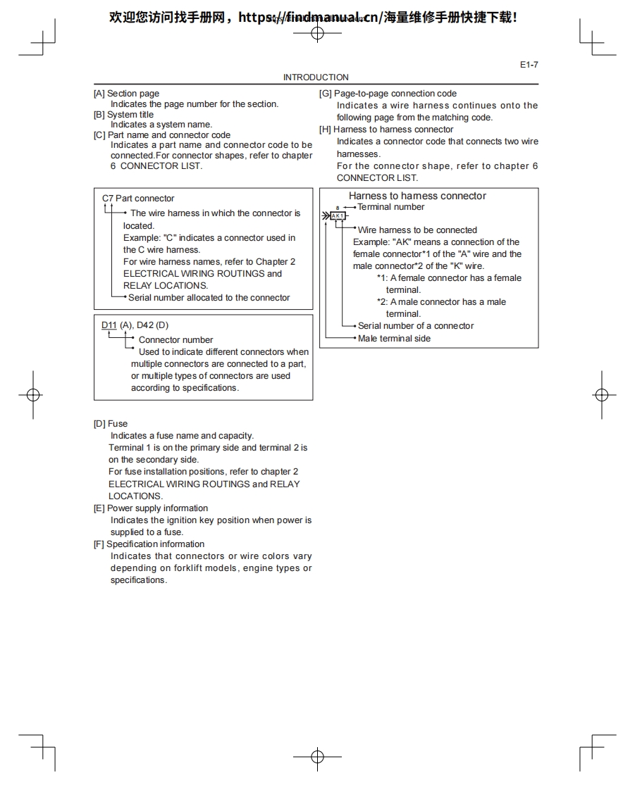
欢迎您访问找手册网,https://findmanual.cn/海量维修手册快捷下载!WIRING DIAGRAM8FG(D)U15-32,8FGCU20-32CHAPER 1 INTRODUCTIONE1CHAPTER 2 ELECTRICAL WIRING ROUTING AND RELAY LOCATIONE2CHAPTER 3 SYSTEM CIRCUITSE3CHAPTER 4 GROUND POINTSE4CHAPTER 5 FUSES FOR POWER SUPPLYE5CHAPTER 6 CONNECTOR LISTE68FGCU15,18,SU20CHAPTER 7 ELECTRICAL WIRING ROUTING AND RELAY LOCATIONE7CHAPTER 8 SYSTEM CIRCUITSE8CHAPTER 9 GROUND POINTSE9CHAPTER 10 FUSES FOR POWER SUPPLYE10CHAPTER 11 CONNECTOR LISTE11
请登录后查看评论内容