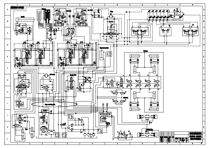
中联重科起重机吊车-Mobile-Crane-RT60-Hydraulic-Schematic_液压原理图

中联重科起重机吊车-Mobile-Crane-RT60-Hydraulic-Schematic_液压原理图-找手册网
中联重科起重机吊车-Mobile-Crane-RT60-Hydraulic-Schematic_液压原理图
此内容为付费资源,请付费后查看
3949
付费资源

第1页 / 共1页
已完成全部阅读,共1
THE END
喜欢就支持一下吧
评论 抢沙发

请登录后发表评论

    请登录后查看评论内容