卡特CAT-Sistema-de-Transmision-980L维修资料

卡特CAT-Sistema-de-Transmision-980L维修资料-找手册网
卡特CAT-Sistema-de-Transmision-980L维修资料
此内容为付费资源,请付费后查看
2936
付费资源

第1页 / 共8页

第2页 / 共8页

第3页 / 共8页

第4页 / 共8页

第5页 / 共8页

第6页 / 共8页

第7页 / 共8页

第8页 / 共8页
已完成全部阅读,共8
THE END
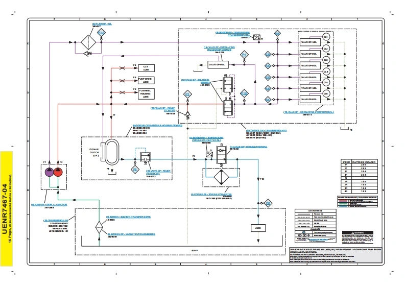
018chmg的eSCHEMATIC FEATURES AND TIPSSAVEa copy of this schemeticTHE BOOKMARKS PANEL WILL ALLOW YOU TOTHE FUNCTION ISOLATION TOOLS ISOLATEBookmarksQUICKLY NAVIGATE TO POINTS OF INTEREST.CIRCUITS FOR TRACING HYDRAULIC LINES回·回凤贝FeaRuros居Cover page贝SchematicFunction bsoltion Tools贝Grids On/,otHNE VEW-FRONT贝All CircuitsOffSTANDARD VIEW▣All Circuits OnNE WER021(Orange)(Pilot Pump Output)o@0032(Red)(Main Pump Output)心577(Lt Green)(Drain/Return Line)y▣Machine Views贝Machine View-Front▣Machine View-Rear▣Implement Stack021 (Orange)(Pilot Output)CIRCUIT ISOLATEDCLICK HERE TO VIEW THE SCHEMATICUTILIZE HYPERTEXT TO NAVIGATE TO COMPONENTS AND THEIR MACHINE LOCA-SYMBOLS AND DEFINITIONS PAGETION QUICKLY.HYPERTEXT IS INDICATED BY TEXT THAT IS BLUE AND UNDERLINEDELECTRICAL SYMBOLS黑Level4SwitchBASIC HYDRAULIC SYMBOLSOHAFluidPumpSpringConditioneror MotorAdjustable)HOTKEYS (Keyboard Shortcuts)FUNCTIONKEYSZoomIn"CTRL"STAND●Zoom Out"CTRLHPSHPSFitto Page"CTRL"I“0"(zero)Hand Tool“SPACEBAR"(hold downFind"CTRL"I“F"WHEN ONLY ONE CALLOUT IS SHOWING ON ASearch“CTRL"/“SHIFT"I“F"VIEW ALL CALLOUTSMACHINE VIEW,CLICKING ON THIS BUTTON WILLMAKE ALL OF THE CALLOUTS VISIBLE.THISDue to different monitor sizes and PDF readerpreferences there may be some varance in linkedBUTTON IS TYPICALLY LOCATED IN THE TOP RIGHTschematic locations.This document is best viewed atCORNER OF EVERY MACHINE VIEW PAGE.a screen resolution of 1024 X 768.2021 Caterpillar.All Righis Reserved CAT,CATERPLLAR LETS DO THEWORK.their respective logos,Caterpillar Corporate Yellow.the Power Edand Cat Modern Hex trade dress as well as corporate and preduct identCATherein,are trademarks of Caterpillar and may not be used wthout perS0TEWO贼
喜欢就支持一下吧
评论 抢沙发

请登录后发表评论

    请登录后查看评论内容