

第1页 / 共176页

第2页 / 共176页

第3页 / 共176页

第4页 / 共176页

第5页 / 共176页

第6页 / 共176页

第7页 / 共176页

第8页 / 共176页

第9页 / 共176页

第10页 / 共176页
试读已结束,还剩166页,您可下载完整版后进行离线阅读
THE END
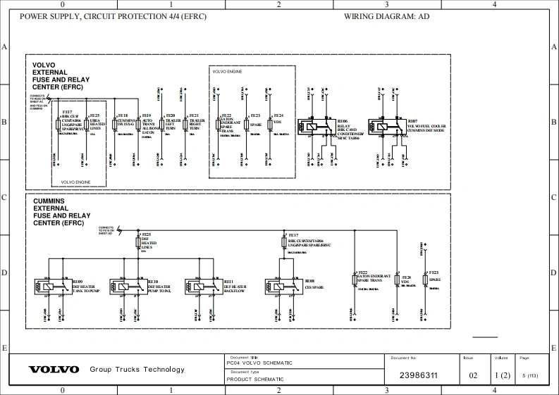
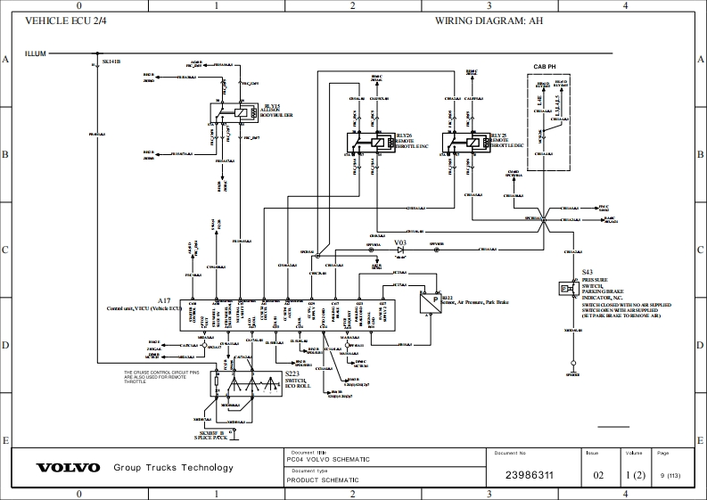
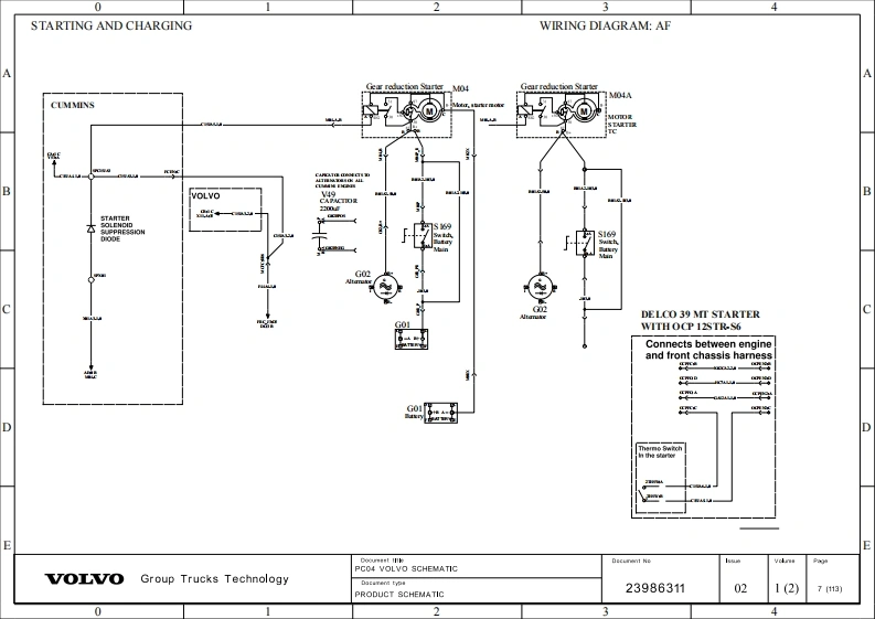
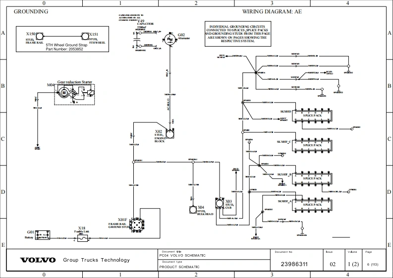
Engineering ReleaseLocationChange DescriptionA=AddedW=WasDocument Release StatusNotice (ERN)DDeletedD-18512-97See DCNRELEASEDWIRING DIAGRAM INDEXNAME DESCRIPTIONPAGENAME DESCRIPTIONPAGEAAPOWER DISTRIBUTION FRCGDDRIVING/SIGNAL LIGHTS60ARPOWER DISTRIBUTION FRCDRIVING/FOG LIGHTSACPOWER SUPPLY,CIRCUIT PROTECTION 3/4 (EFTAIL LAMPS W/ALARM62ADPOWER SUPPLY,CIRCUIT PROTECTION 4/4 (BF 7GGBACK OF CAB LAMPS LI63ABGROUNDINGGHBACK OF CAB LED LAMPS L3,L4,L564甲STARTING AND CHARGINGSNOW PLOW AND BEACON LAMPS65AGVEHICLE ECU1/4·EMS POWER CONTRO10GBEACON LAMPS6AHVEHICLE ECU 2/411GKBACK UP LAMPS WITH ALARM67工VEHICLE ECU 3/4GPWINDSHIELD WASHER63AVEHICLE ECU 4/4.ENGINE BRAKE SWITCHES13GOHORN69AKPOWER SUPPLY MANUAL TRANS START14ACLIMATE CONTROLALGROUNDING OPTIONS15HBSLEEPER BASE CLIMATE CONTROL W.LECM71AMCHARGING AND POWER CABLE OPTIONSHCSHORE POWERANGROUNDING OPTIONS17HDSLEEPER W/LECM L4EHUN证AQPOAER DISTRIEUTIONHEgLEB卫ERN/LECM I4E74BAINSTRUMENT CLUSTER 1/219HPL3-L4 SLEEPER FUNCTIONS/LIGHTING/REFRIBBINSTRUMENT CLUSTER 2/220HGL5HA SLEEPER FUNCTIONS76BBCOMMUNICATIONS QUALCOMM/OMNIVISION21HICAB MANTINVERTER W/SHOREPOWER77BPTMC RP1226 PEOPLENET PREP KIT22HJAUXILLIARY 12V PARK COOLING SYSTEM L4E78BHBODYBUILDER2HKSLEEPER CLIMATE CONTROLL3.4.5BJTELEMATICS GATEWAY (TGW)24HLAUXILLARY 12V PARK COOLING SYSTEM L4 AND 80BLBATTERY BUSSING25INTERIOR COURTESYBMBODYBUILDER MODULE26IBHEATED WINDSHIELD82BPTSX·G FUEL SYSTEM27T门POWER WINDOWS/MIRRORS83BYCUMMINS ADEPT28POWER WINDOWS/MIRRORSTURNGNAL84CAETHER START/ENGINE HEATER29CENTRAL/REMCTE DOORCBENGINE CONTROL-VOLVO ENGINE30IGCIGAR LIGHTER/OWER(DASH RADIO SHE 86CBFUIEL FTLTER HEATER31THRRTHRKCGUREA DOSING SYSTEM0BD201932IRSEAT BELTS.HBA日88CHINSIDE/OUTSIDE AIR CLEANER33SEAT BOSE89CLENGINE CONTROL ISX-G 1/24TASRS AIR用AG CONTRO190CMMETHANE DETECTION35ADAPTIVE CRUISE CONTROL91NENGINE CONTROL·TSX1/36SIDE OBJECT DETECTION SYSTEM92CPENGINE CONTROL ISX US 2/237JGLANE DEPARTURE WARNING SYSTEM93DATRANSM工SSION I=SHIET38THSEAT SRS94DBTRANSMISSION CONTROL EATON AUTOMATICS39KDAUDIO SYSTEM.BLUETOOTHAUX/USB95DCTRANSMISSION EATON ENDURANT40AUDIO SYSTEM:DEA 500 SERIES RADIO-4 SP 96DETRANSMISSION CONTROL ALLISON 1/241AUDIO SYSTEM-DEA 500 SERIES RADIO-6 SP 97DFTRANSMISSION CONTROL ALLISON 1/242KGAUDIO SYSTEM-DEA 500 SERIES RADIO-6 SP 98DPPT4CAUDIO SYSTEM:SEM 4-SPEAKER AND AUX INPU 99EBSUSPENSION44AUDIO SYSTEM-SEM RADIO 6-SPBAKER100ECABS CONTROL BENDIX 1/245SEM AUDIO UNIT101EDABS CONTROL BENDIX ESC (BLECTRONIC STABI 46KOINPOTAINMENT102EEBRAKES TABS647MATRAILER CABLE1D3HSUSPENSION LIPTABLE PUSHER48MBTRAILER CABLE OPTIONS104FAA工R DRYER/HEATED DRAT时ALrB49CTRA工LER CABLES/BODY B可ILDER BOX105LIFT AXLES VHD50AAUXILIARY SWITCHE106FCSUSPENSION DUMP,STH WHEEL SLIDE51DH.D.POWER LIFT GATE107FDDIFFERENTIAL LOCK VN/VHD52XADIAGNOSTICS 1/3(DL4·J1587&DL2·J2284108FEPUSHER OVERRIDE 8X253XBDIAGNOSTIC CONNECTOR SCENARIOS109E甲STH WHEEL LOCKDIAGNOSTICS DL1·110TIRE PRESSURE MONITORING SYSTEM55DIAGNOSTICS 2/3 (DL1-1939)VOLVO OBD111FHDYNAMIC STBERING5XGDIAGNOSTICS 2/3 (DL1-1939)ISX GA
请登录后查看评论内容