

第1页 / 共80页

第2页 / 共80页

第3页 / 共80页

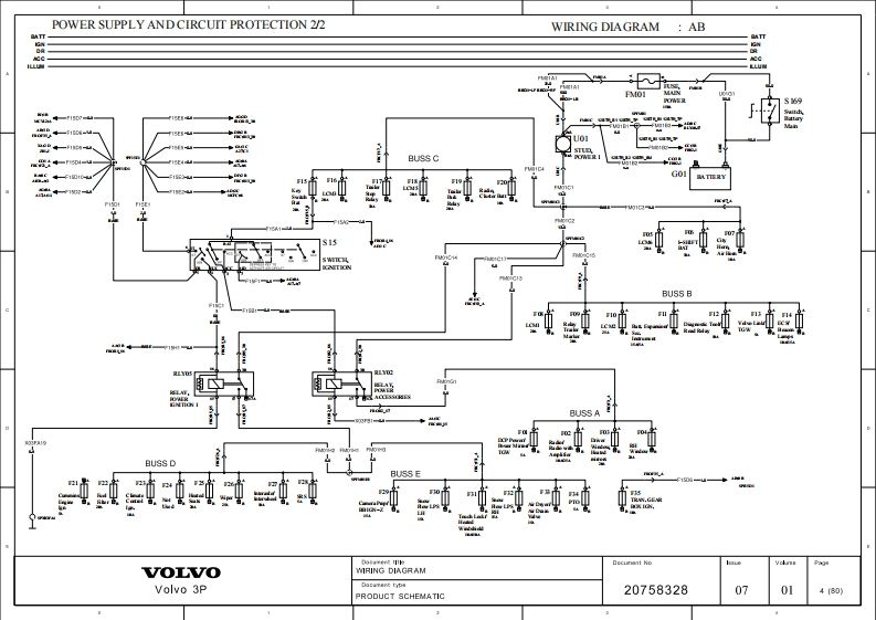
第4页 / 共80页

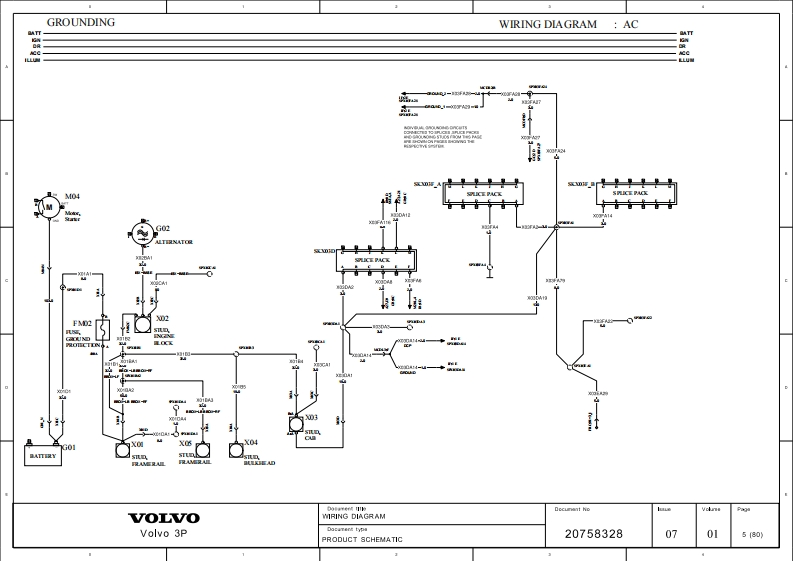
第5页 / 共80页

第6页 / 共80页

第7页 / 共80页

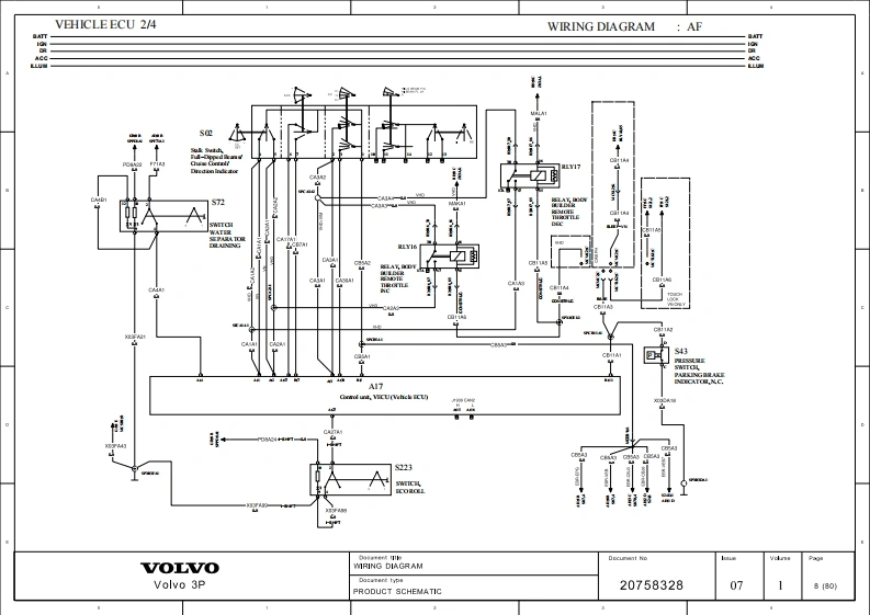
第8页 / 共80页

第9页 / 共80页

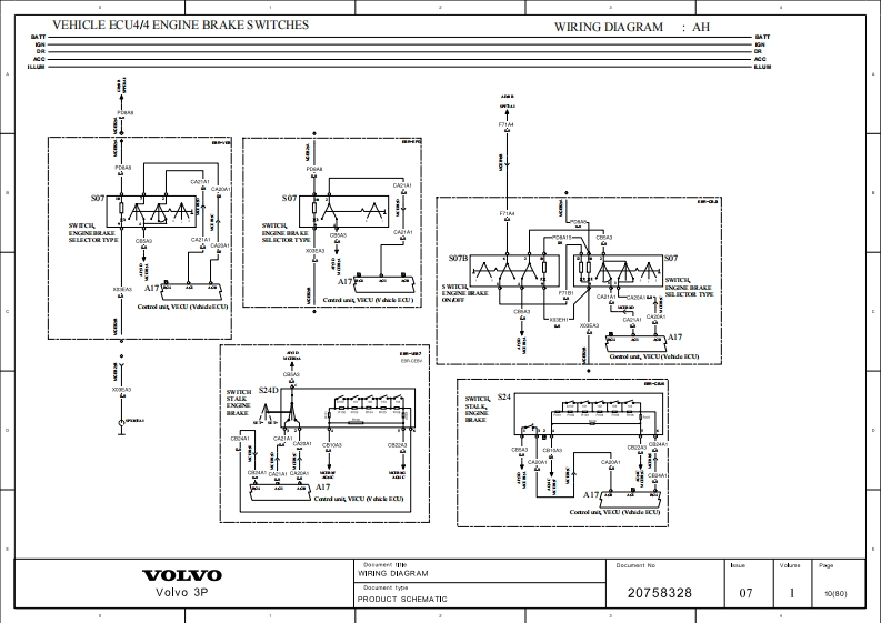
第10页 / 共80页
试读已结束,还剩70页,您可下载完整版后进行离线阅读
THE END
Engineering ReleaseLocationChange DescriptionA=AddedW=WasDocument Release StatusNotice (ERN)D=DeletedRELEASEDDateModifica fion CountSEE DCNWIRING DIAGRAM INDEX,12VNAmeDESCRIPTIONPAGE NAMEDESCRIPTIONPAGEAAPOWER SUPPLY,CIRCUIT PROTECTION 1/23GB_IGHTING CONTROL 2/243ABPOWER SUPPLY,CIRCUIT PROTECTION 2/2GCMARKER LAMPS44ACGROUNDINGGDDRIVING/SIGNAL LIGHTS45ADSTARTING AND CHARGING6GEDRIVING/FOG LIGHTS46AEVEHICLE ECU 1/4 EMS POWER CONTROLGFTAIL LAMPS W/ALARM47AFVEHICLE ECU 2/4GGBACK OF CAB LAMPS L148AGVEHICLE ECU 3/49GHBACK OF CAB LAMPS L3-L549AH VEHICLE ECU 4/4 ENGINE BRAKE SWITCHES10GSNOW PLOW BEACON LAMPS50BAINSTRUMENTATION CLUSTERA/B11GJBEACON LAMPS51BB INSTRUMENTATION CLUSTERC12GKBACKUP LAMPS WITH ALARM52BCINSTRUMENTATION ROAD RELAY13GPWIPER WASHER53BDINSTRUMENTATION OPTIONAL GAUGES14GOHORN54BECOMMUNICATIONS QUALCOMM/OMNIVISION15HACLIMATE CONTROL55BFCOMMUNICATIONS VOLVO ACTION LINK (VAL)16HBSLEEPER CLIMATE CONTROL W.LECM56BGCOMMUNICATIONS MOBILE MAX II17HCSHORE POWER INVERTER57BHBODY BULDER18HDL3-L4 SLEEPER FUNCTIONS58B卧BODY BUILDER MODULE19HEL5 SLEEPER FUNCTIONS59BJTELEMATICS GATEWAY(TGW)20HHL5H2 SLEEPER FUNCTIONS60CA ETHER START/ENGINE HEATER21IAINTERIOR COURTESY LIGHTS61CBENGINE CONTROL VOLVO ENGINES22IBHEATED SEATS/SEATBELT/HEATED W.S62CC ENGINE CONTROL ISX US0723ICPOWER WINDOWS/MIRRORS W.DCP63CEFUEL FILTER HEATER24IDPOWER WINDOWS/MIRRORS W/O DCP64CHINSIDE/OUTSIDE AIR CLEANER25PWR WINDOWS/MIRRORS W/TURN SIGNALS65DATRANSMISSION I-SHIFT26IFCENTRAL/REMOTE DOOR LOCKING66DBTRANS.CONTROL AUTOSHIFT II:ULTRASHIFT27IGCIGAR LIGHTER.AUX POWER67DETRANSMISSION CONTROL 4 GENERATION 1/228IHBRIGHT WORK68DF TRANSMISSION CONTROL 4 GENERATION 2/229JASRS AIRBAG CONTROL69DGTRANSMISSION CONTROL FREEDOMLINE30JC/ORAD SYSTEM VS40070DPPTO31JDVORAD SYSTEM EVT30071EAABS CONTROL WABCO32JESTEERING WHEEL MOD MARKER INTERRUPT72EBSUSPENSION ECU 6X233JFADAPTIVE CRUISE CONTROL73ECABS CONTROL BENDIX34KAAUDIO SYSTEM-4 SPEAKER74EDABS CONTROL BENDIX ESP35KBAUDIO SYSTEM-6 SPEAKER75FAAIR DRYER /HEATED DRAIN VALVE36KCAUDIO SYSTEM-6 SPEAKER W/SUB,TV PREP76FBLIFT AXLES VHD37KDAUDIO SYSTEM-BLUE TOOTHAUX/USB77FC SUSPENSION DUMP,5TH WHEEL SLIDE38MATRAILER CABLE78FDDIFFERENTIAL LOCK VNNHD39NAAUXILIARY SWITCHES79FF5TH WHEEL TOUCH LOCK40XADIAGNOSTICS80FGTIRE PRESSURE MONITORING SYSTEMGALIGHTING CONTROL%VOLUMECONTENTPAGES01WIRING DIAGRAM80The copying,distribuion of this document as well as theDocument Titlecommunication of its contents to others without expressed authorizationWIRING DIAGRAMis prohibited.Offenders will be held liable for payment of damages.Allrights reserved in the event of the grant of a patent,ufility model orVN,VHDomamental design registration.USO7Document TypePRODUCT SCHEMATICVOLVOOwner Domain:Document PrefixVolvo 3PDocument NoIssueVolume NoPage No2075832807011(80)
请登录后查看评论内容