沃尔沃卡车Volvo-FH12-FH16-RHD-Wiring-Diagramc-Wiri维修电器原理图手册

沃尔沃卡车Volvo-FH12-FH16-RHD-Wiring-Diagramc-Wiri维修电器原理图手册-找手册网
沃尔沃卡车Volvo-FH12-FH16-RHD-Wiring-Diagramc-Wiri维修电器原理图手册
此内容为付费资源,请付费后查看
3949
付费资源

第1页 / 共114页

第2页 / 共114页

第3页 / 共114页

第4页 / 共114页

第5页 / 共114页

第6页 / 共114页

第7页 / 共114页

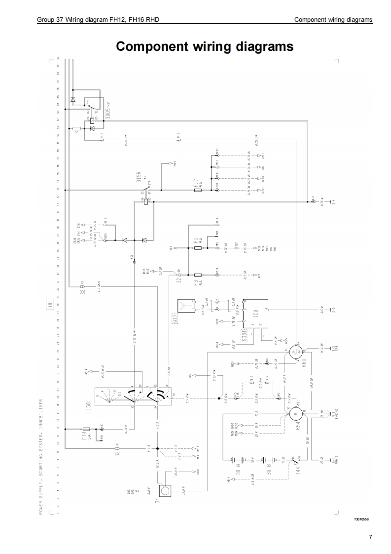
第8页 / 共114页

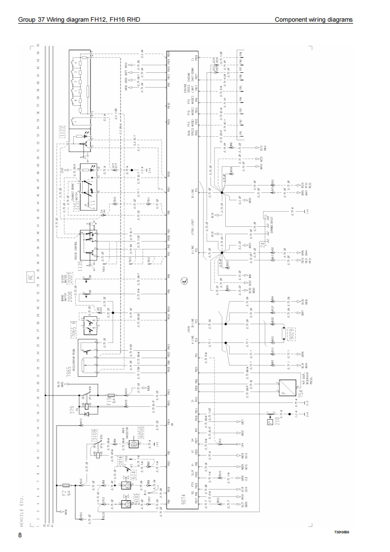
第9页 / 共114页

第10页 / 共114页
试读已结束,还剩104页,您可下载完整版后进行离线阅读
THE END
Service ManualTrucksGroup 37Version 01Wiring diagramFH12,FH16 RHDTo be inserted into the binders for FM,FH.TSP104002
喜欢就支持一下吧
评论 抢沙发

请登录后发表评论

    请登录后查看评论内容