

第1页 / 共27页

第2页 / 共27页

第3页 / 共27页

第4页 / 共27页

第5页 / 共27页

第6页 / 共27页

第7页 / 共27页

第8页 / 共27页

第9页 / 共27页

第10页 / 共27页
试读已结束,还剩17页,您可下载完整版后进行离线阅读
THE END
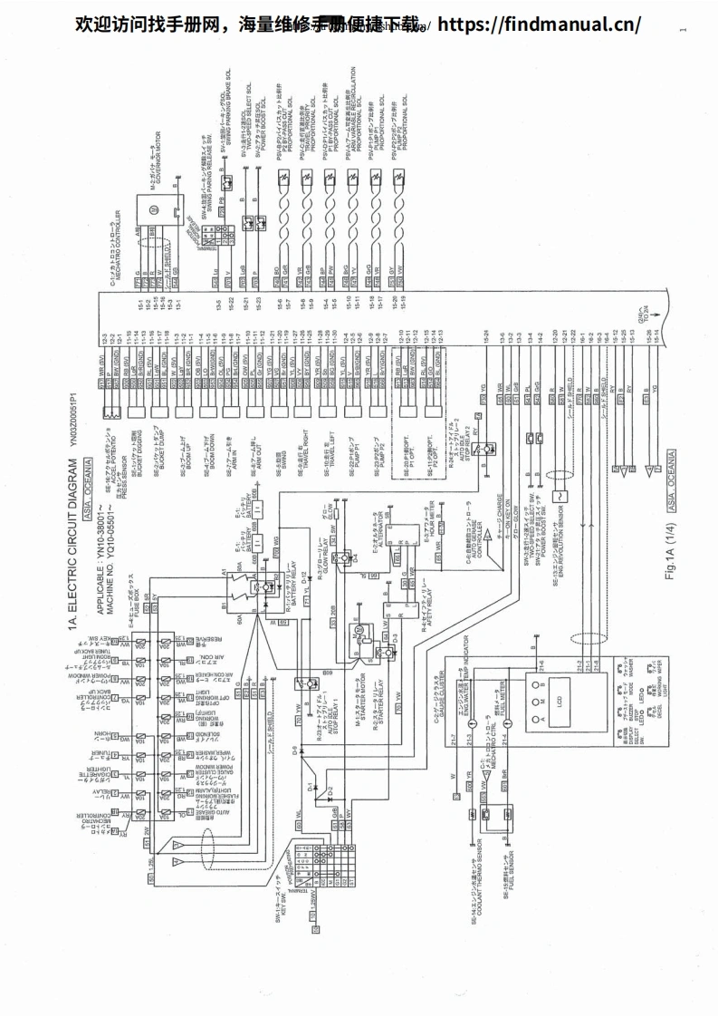
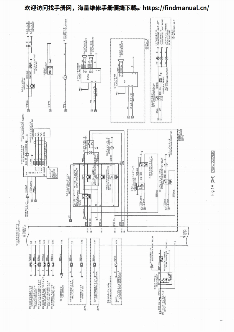
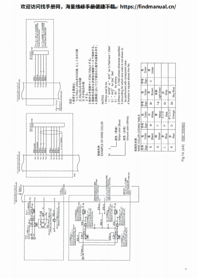
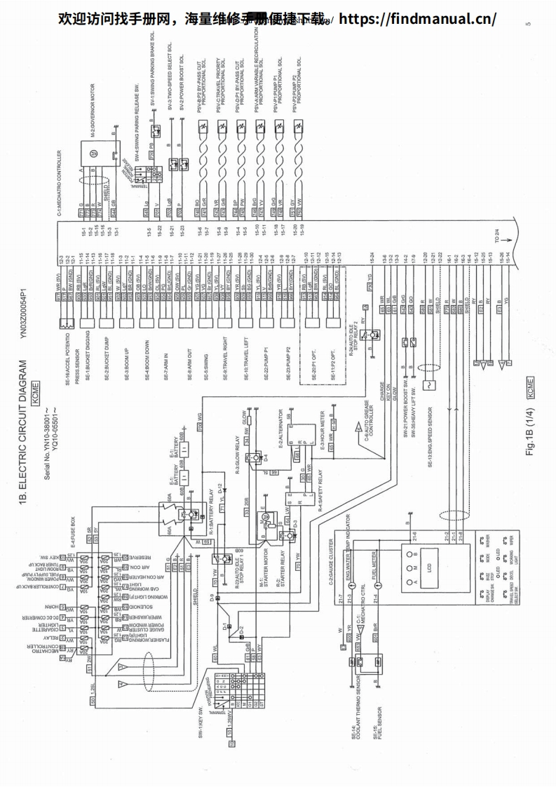
欢迎访问找手册网,海量维修手册便捷吓载/https:/findmanual..cn/Book code No.KOBELCOS5YN2317ESK200LC)-GESHOP MANUALSK210Lc)-6E5)SK210NLC-GESELECTRIC SYSTEMTABLE OF CONTENTS1.ELECTRIC CIRCUIT DIAGRAM (ASIA,OCEANIA)ELEOTRIC CIRCUIT DIAGRAM (KCME)..592.ELECTRICAL EQUIPMENT LIST (ASIA,OCEANIA)....YN23ELECTRICAL EQUIPMENT LIST (KCME)103.HARNESS3.1 Harness list…113.2 Harness Connection Drawing (ASIA,OCEANIA)12Harness Connection Drawing(KCME)133.3 Operation Controls(ASIA,OCEANIA)14Operation Controls (KCME)..153.4C0 ntroller A8sy…l63.5 Instrument Panel Assy…253.6 Upper Electric As8y.263.7 Upper Harness Assy (ASIA,OCEANIA)...27Upper Harness Asgy (KCME)298.8 Engine Harness Assy.383.9Under Floor Harness Assy (ASIA,OCEANIA)40Under Floor Harness Assy (KCME)44310 Cab Assy…483.11 Cab Harnes8 s Assy…493.12 BatteryBattery Install523.l3 Light Insta…523.14 Boom Harness Assy......553.15 Fuel Pump Aggy.56KOBELCO CONSTRUCTION MACHINERY CO.,LTD.
请登录后查看评论内容