

第1页 / 共96页

第2页 / 共96页

第3页 / 共96页

第4页 / 共96页

第5页 / 共96页

第6页 / 共96页

第7页 / 共96页

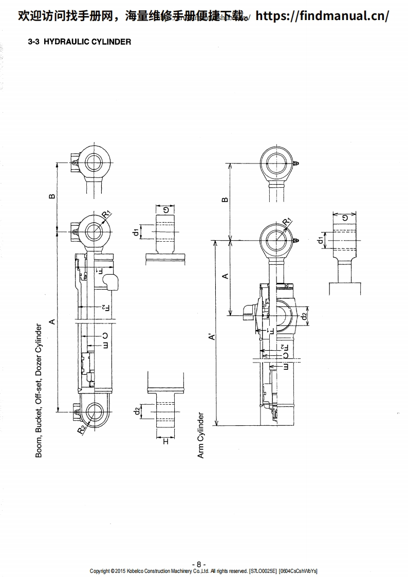
第8页 / 共96页

第9页 / 共96页

第10页 / 共96页
试读已结束,还剩86页,您可下载完整版后进行离线阅读
THE END
次迎访问找手册网,海量维修弄册便捷不载,https:/findmanual..cn/KOBELCOUR SeriesSERVICEMAN HANDBOOKSK3OUR-2PR03-02501~SK5OUR-2YJ02-04001~SK75UR-2YR03-02801~1997.02(J)Book code No.S7LO0025E2005.05(E)Copyright015 Kobelco Construction Machinery Co.Ltd.All rights reserved.[S7L0025E][0604CsCshWbYs]
请登录后查看评论内容