TDS544A_Display_电器原理图手册s

TDS544A_Display_电器原理图手册s新质力文库 - 聚焦新质生产力发展的数字化知识库_行业洞察 / 理论成果 / 实践指南免费下载新质力文库
TDS544A_Display_电器原理图手册s
此内容为付费资源,请付费后查看
1727
立即购买
您当前未登录!建议登陆后购买,可保存购买订单
付费资源

第1页 / 共6页
试读已结束,还剩5页,您可下载完整版后进行离线阅读
THE END
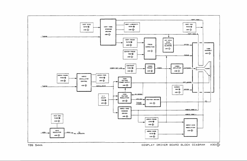
(rs视LTL1A中FE丙TB网元0好G3网四@DEVEXeORY FCUSN5700005EONTON FOOASSEMELTa,t风4rA四@4时d00G380ErTL4TO知●CRAATIONB@ALAK红分UTT网C◆1令模10B#5+提5r3A186GA四⊙HC过日E◆1元0T03544A口ISPLAY DRIVER日OARDBLOCK DIAGRAMA3·@
喜欢就支持一下吧
评论 抢沙发

请登录后发表评论

    请登录后查看评论内容