

第1页 / 共90页
试读已结束,还剩89页,您可下载完整版后进行离线阅读
THE END
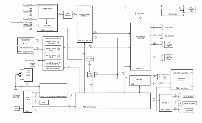
▣⊙ATTENLATDTRIGXER卫@34ACQUSITIONREAR PANELJLMPERSYSTEMo▣@2(Tes4sD880M)力4日@PEAMPSDIAG PORTAO5 ATTENUATORPROCESSORBs卫0洲TPRORE COOINGSYSTEMINTERFACEFRONT PANELA04 ACQUISITIONA15⊙10BMENU SWITCHESONT PANEL◇UEDA17BEZEL BUTTONFRONT PANELaPROBE ADJBPRCBEGNDCOMPENSATION◇9AO6 FRONT PAN但A03 CUMONITDR ASSEMBLYR52DISPDESPLAYA02VIDEOA26 NONIORPOWER2SWICHA25 LOW VOLTAGE POWTR SUPPLYTY 2A FUSEDFANOPTON 13RS-202 OTE PORTAD1AOKP代ANEFUSEA10 SEPARCENTRONCSA07
请登录后查看评论内容