

第1页 / 共10页
试读已结束,还剩9页,您可下载完整版后进行离线阅读
THE END
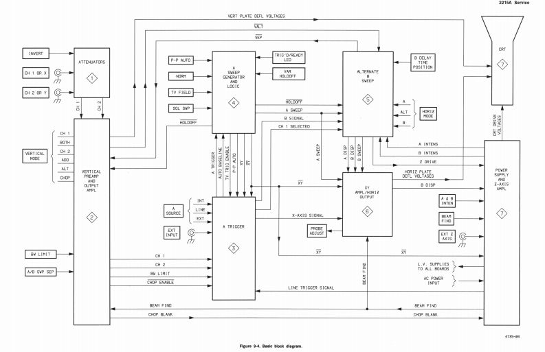
2215A ServiceVERT PLATE DEFL VOLTACES硬INVERTTRICOREADYATTENUATORSP-P AUTOLEDB DELAYCH 1 ORXSVEEPLTEATECENERATORLociCCH 2 OR YTY FIELD市ROLDOFFdSGL SVP⊙A SWEEPTB SIGNALH0L00军CH 1 SELECTED到到B0TH02B INTENSMOOE20院1EALTERTIC因DO置OUTPUTAr8D15PAMPL/HORIZINT回恩®重-AX1Ss1G阳A TRICGERCADJUST图BM LIMITCH 1CH 2L,¥,sA/用5P质PTO ALL BOARDSBM LIMITCHOP ENABLEEA例FIOBEAM FINDCHOP BLANCHOP BLANK47务-NFlgure 94.Bask look dlapran.
请登录后查看评论内容