Delta_209_参考电器原理图

Delta_209_参考电器原理图新质力文库 - 聚焦新质生产力发展的数字化知识库_行业洞察 / 理论成果 / 实践指南免费下载新质力文库
Delta_209_参考电器原理图
此内容为付费资源,请付费后查看
2232
立即购买
您当前未登录!建议登陆后购买,可保存购买订单
付费资源

第1页 / 共1页
已完成全部阅读,共1
THE END
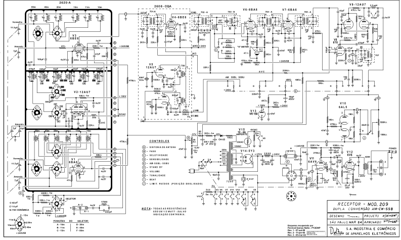
7620-A12608:G04V3.12AU7YT-6BAE4n和光光光光事4-60TT2=11AU7106AL52国5到②-i1s1a1A2iAmnV14.5Y3②-5LEm1BA0回-IBA⊙-培结轨-轴回-ETAND BY⊙-64A41046-1RECEPTOR MOD.209Q工&:T00454 S PEEIST化6A8OUPLA CONVERSAO AM-CW-S5BPAOIETO540 AULO,MAR64AOA002时DDE APRELHOS ELETRONICOSS.A.INOUSTRIA E COMERCIO
喜欢就支持一下吧
评论 抢沙发

请登录后发表评论

    请登录后查看评论内容