

第1页 / 共22页
试读已结束,还剩21页,您可下载完整版后进行离线阅读
THE END
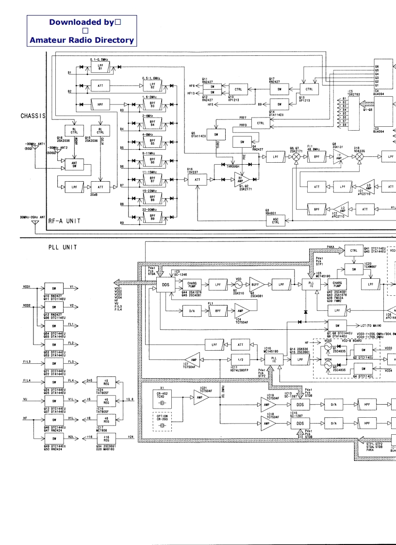
Downloaded by▣▣Amateur Radio Directory0.1-0.SMH2015-.ATTGT1.6-2H21321391-08CHASSIS不CTR42036不30些T2不1-1MHz*不ATTLPF1522w122-30Hz品ATT2TRF-A UNITPLL UNITCTRL88班批voeV24898站离212部5045>≥LGTT0I帽gA848203286160指髓,:04FIL3、8LPF翩8H74L502904a35144T面。品8za98211804FDDSD/A8图ATEOGF!器2器AMPDDSD/A16提+24锅品
请登录后查看评论内容