ICOM艾克幕ILER-20_维修说明书图册

ICOM艾克幕ILER-20_维修说明书图册新质力文库 - 聚焦新质生产力发展的数字化知识库_行业洞察 / 理论成果 / 实践指南免费下载新质力文库
ICOM艾克幕ILER-20_维修说明书图册
此内容为付费资源,请付费后查看
2232
立即购买
您当前未登录!建议登陆后购买,可保存购买订单
付费资源

第1页 / 共1页
已完成全部阅读,共1
THE END
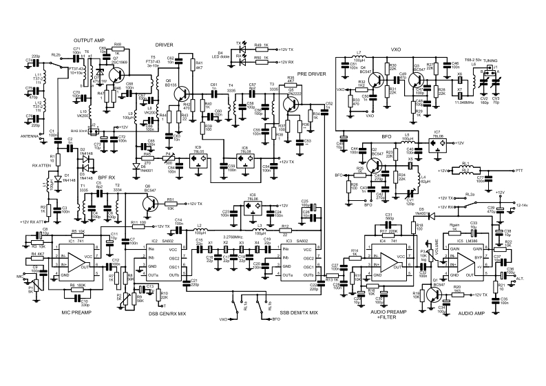
OUTP代TAMFCRIVERG71T01tFT246+12VT8-20rT几D+I0kPRE DRIVER12EFO4414414+12yT01ZV TX-12V RX A驻引-14UT1V TMIC PREAMPDSB GENIRX MSSB DEMTX MIXAUDIO PREAMPAUDIO AMP+FLTER
喜欢就支持一下吧
评论 抢沙发

请登录后发表评论

    请登录后查看评论内容