Trio_Sky_Dream_TRH-1_参考电器原理图_JA

Trio_Sky_Dream_TRH-1_参考电器原理图_JA新质力文库 - 聚焦新质生产力发展的数字化知识库_行业洞察 / 理论成果 / 实践指南免费下载新质力文库
Trio_Sky_Dream_TRH-1_参考电器原理图_JA
此内容为付费资源,请付费后查看
2232
立即购买
您当前未登录!建议登陆后购买,可保存购买订单
付费资源

第1页 / 共1页
已完成全部阅读,共1
THE END
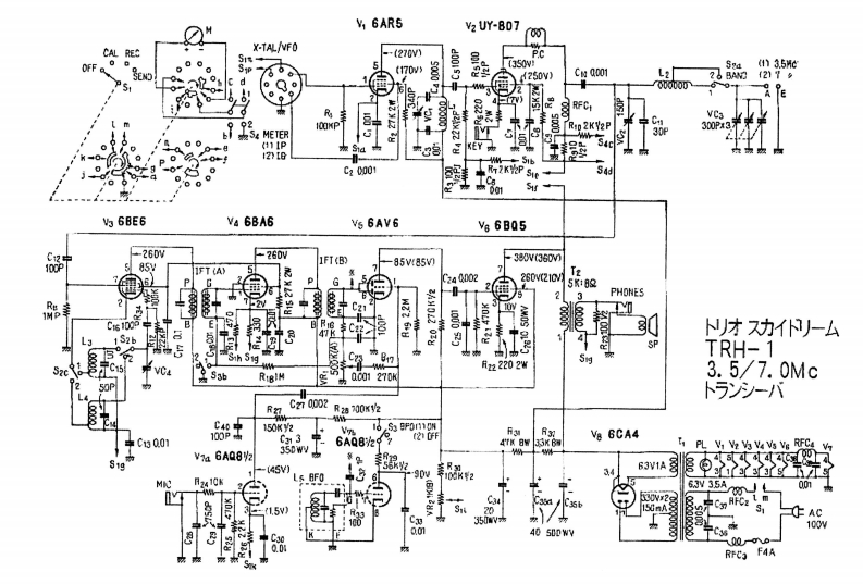
V:6ARSV2UY-807CALREX-TALNFO-(270W0P.COFF{350Ht170W9Ssa113.5eSEN250y)Ca000120821217多000000T1E-(TV)ICOKP4233RFCVC3R:p 2KY2P300PA3S4 METER3011PKEY4M516C2c001R2KYP00Sur68E6VA 6BA6Vs 6AV6Ve 6B05C2中-26W260N30W360w0100P85w1FT(B)85v850IFT (A)Cz4 Q002260V210W582PHONES2C21WZ'ZC6100510次才N-么1S2b11sP3h55时TRH-1C15Mi22202w53bR:BIMQC01270h3.5/7.0Mc卜-八RaC70002R2洁00K2韩C40中50城2100P南C13fFMH到Ve 6CA4C130014'TK 8W33K 8Via 6AQ81235DWVPLVh为VgFC4(4SV63V1AR241CKL58F910防R26335A00C.1m1.5v203tAC10o350V*00100W40 50DWYQ.DRFCaF4A
喜欢就支持一下吧
评论 抢沙发

请登录后发表评论

    请登录后查看评论内容