Trio_TX-88D_参考电器原理图

Trio_TX-88D_参考电器原理图新质力文库 - 聚焦新质生产力发展的数字化知识库_行业洞察 / 理论成果 / 实践指南免费下载新质力文库
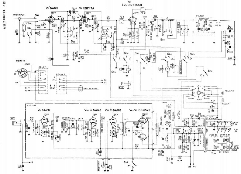
Trio_TX-88D_参考电器原理图
此内容为付费资源,请付费后查看
2232
立即购买
您当前未登录!建议登陆后购买,可保存购买订单
付费资源

第1页 / 共1页
已完成全部阅读,共1
THE END
图S2001/6146BV:6AQ5NL-V2 12BY7ATx·-88p9面读380V PC-2yEO INPUTS4120X'TAL33cANTRMTE报YRELAYANT月号SENDVFO REMOTE2+RELAY 2RELAY IS232246AV6Vaa 26AQ8Vsb /26AQ8Ve .V7 6BQ5x2vD3SW-05S3cm-3CH-412热特c25266WTD420mAFR-IK42YT2鹅82R3R4
喜欢就支持一下吧
评论 抢沙发

请登录后发表评论

    请登录后查看评论内容