

第1页 / 共2页
试读已结束,还剩1页,您可下载完整版后进行离线阅读
THE END
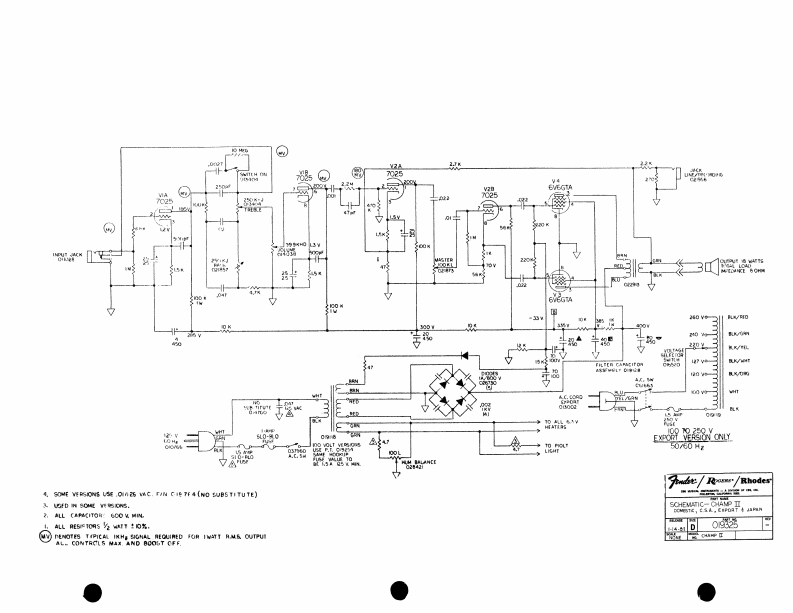
YZA腿@70250252504O35可66G4260yRID积义52BLK/MT120限民U国E保盈cr507E04z29//Rhodes4.SOME VERSIONS LSE QIN25 WC.FIN CiE TF 4[NO SUBS TITU TE)又tDN0g585.SCHEMATIC2,LL(AKT0600装网风上,LLE5e0网S与T1白客,O95PENOTES TIPICAL INH SMA RECUIRED FOR IMSTT RMS CUTPURAL-CONTRCLS MAX.AND BCOST CFF.●
请登录后查看评论内容