Dux-ST6239T-pr-电气原理图手册

Dux-ST6239T-pr-电气原理图手册新质力文库 - 聚焦新质生产力发展的数字化知识库_行业洞察 / 理论成果 / 实践指南免费下载新质力文库
Dux-ST6239T-pr-电气原理图手册
此内容为付费资源,请付费后查看
2232
立即购买
您当前未登录!建议登陆后购买,可保存购买订单
付费资源

第1页 / 共1页
已完成全部阅读,共1
THE END
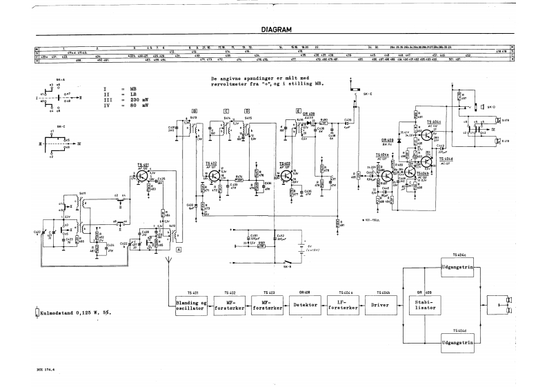
DIAGRAM44444业rervo1tEat自r【ra●,gg生wti】1igB,:西880回T9404g45T5 K36d04”酱5响4e16401TG 402Ts4000艾8TS404nT56■4sGR4ESLP-8tabi-0ka1e6 dntand0,15.5球.oscillator【ornt是rke里forat里rker自T#生影下红相了DriverIisatorTSAOLddgangstring134,4
喜欢就支持一下吧
评论 抢沙发

请登录后发表评论

    请登录后查看评论内容