

第1页 / 共2页
试读已结束,还剩1页,您可下载完整版后进行离线阅读
THE END
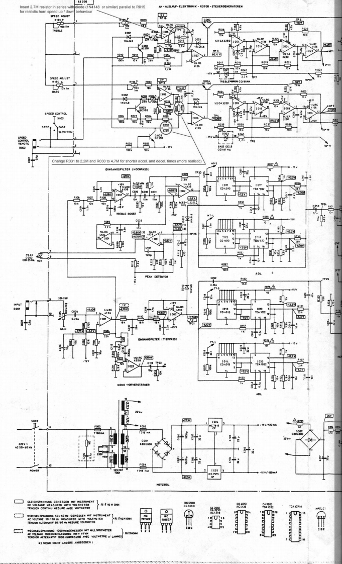
Insert 2.7M resistor in series witdiode (1N4148 or similar)parallel to R015for realistc hom speed up do需0品品尝Change R031 to 2.2Mand Ro30 to 4.7M for shorter accel.and decel.times (more realistic):本效品a四0汁计24回叶相鸟2四受C“
请登录后查看评论内容