Dynacord-Eminent125_102-pwr-电气原理图手册

Dynacord-Eminent125_102-pwr-电气原理图手册新质力文库 - 聚焦新质生产力发展的数字化知识库_行业洞察 / 理论成果 / 实践指南免费下载新质力文库
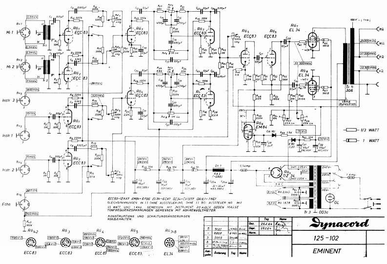
Dynacord-Eminent125_102-pwr-电气原理图手册
此内容为付费资源,请付费后查看
2232
立即购买
您当前未登录!建议登陆后购买,可保存购买订单
付费资源

第1页 / 共1页
已完成全部阅读,共1
THE END
mY可o[R6RO:Ro.ECCRosEL 34ECC83E℃d3m四000mR四▣0可四知mN多元R642间0gR00104☐13wA7行R NK↓307可项5Ror▣706▣a3.ECC 03坐以239cP0e5v-Ro155门5¥中零家,0m写返R和23590FchoCLEICHSRANNUNGEN W CHNE AUSSTELERUNG OHNE 7I BE AUSSTEUER.:NS M四0城话455E3003cR,5262.629264ynacoidRo 35950pmve2007E的VG和可口?四m0252125-102LY四刀0V53及3-.cmTJroECC83ECC83ECCECC83EL34TEMINENT
喜欢就支持一下吧
评论 抢沙发

请登录后发表评论

    请登录后查看评论内容