eh160维修电器原理图说明书手册

eh160维修电器原理图说明书手册新质力文库 - 聚焦新质生产力发展的数字化知识库_行业洞察 / 理论成果 / 实践指南免费下载新质力文库
eh160维修电器原理图说明书手册
此内容为付费资源,请付费后查看
2232
立即购买
您当前未登录!建议登陆后购买,可保存购买订单
付费资源

第1页 / 共1页
已完成全部阅读,共1
THE END
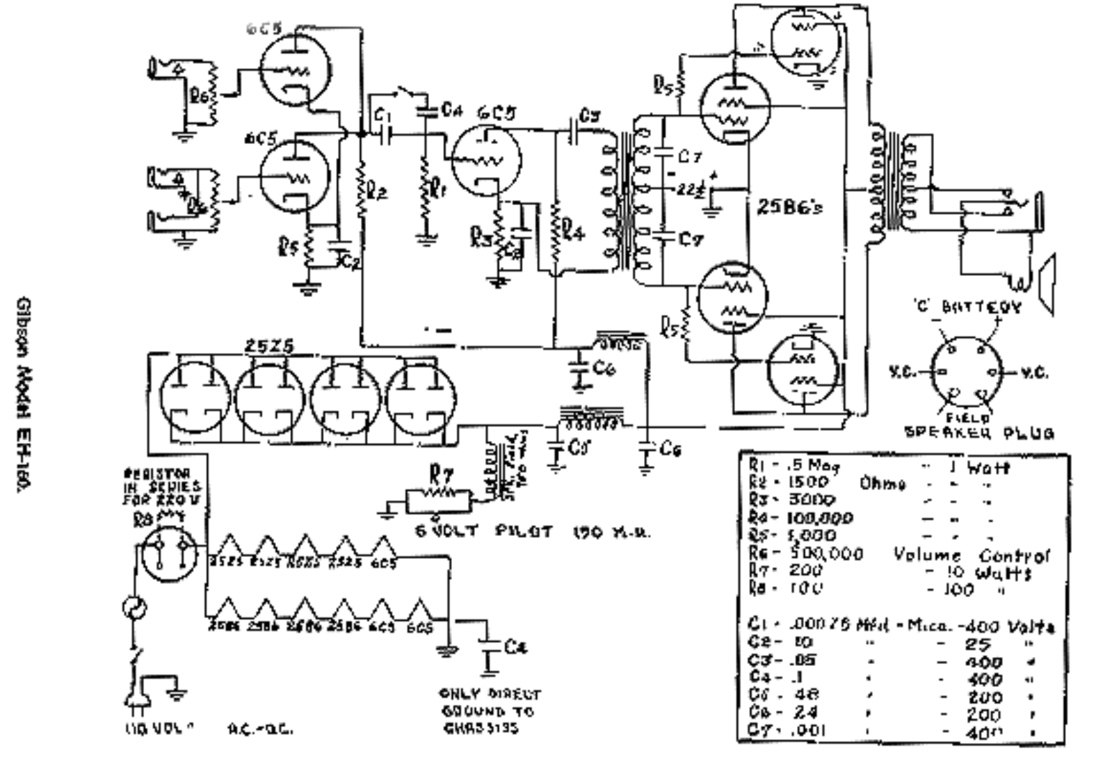
CA6C方25B6sGibson ModH EH-160.25艺5色酒yC.--Y.CFLELpSP长AKER PL山GEALSTORRI -.5 Meg"」watHR头·500hmoR3、30oR4-I00.00204-s,00AR6-500000Volume ContpornT·20d-0uH多Ra·「0-J004Cl·0onY5w-吨ca.-40g的ltC2-to25C3-.5g00c4-100OHLY DIRECT6,482U0TTGUUND TOCa-242000W%A.-n6,GHA53135Cy,00140r1
喜欢就支持一下吧
评论 抢沙发

请登录后发表评论

    请登录后查看评论内容