Eico-HF30SAMS-pwr-电气原理图手册

Eico-HF30SAMS-pwr-电气原理图手册新质力文库 - 聚焦新质生产力发展的数字化知识库_行业洞察 / 理论成果 / 实践指南免费下载新质力文库
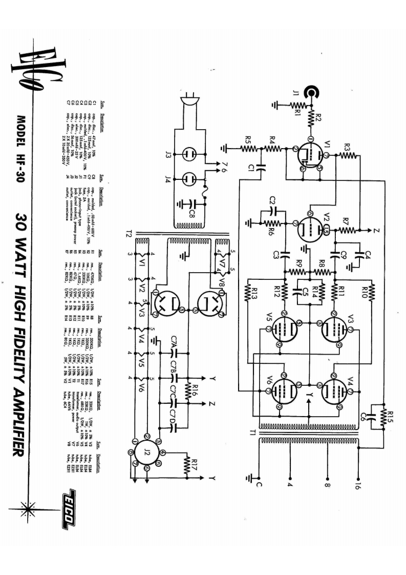
Eico-HF30SAMS-pwr-电气原理图手册
此内容为付费资源,请付费后查看
2232
立即购买
您当前未登录!建议登陆后购买,可保存购买订单
付费资源

第1页 / 共1页
已完成全部阅读,共1
THE END
a8c8o8833月月993MODEL HF-30祥提脖0忍Q000003W00000000000000MWATT西翠积翠公局型月月月年0原關-W润HIGH FID霸V2 55V3君分里君8品省3939F0即售着ELITY润>V5黄≤付中程器器省AMPLIFIER子子联装器灵录果5668眉0W00WW00WW0W0WW0W0000W00000W000000手异程子释影墨母程罗量里6EICO
喜欢就支持一下吧
评论 抢沙发

请登录后发表评论

    请登录后查看评论内容