Electrohome-HFT400-pre-电气原理图手册

Electrohome-HFT400-pre-电气原理图手册新质力文库 - 聚焦新质生产力发展的数字化知识库_行业洞察 / 理论成果 / 实践指南免费下载新质力文库
Electrohome-HFT400-pre-电气原理图手册
此内容为付费资源,请付费后查看
2232
立即购买
您当前未登录!建议登陆后购买,可保存购买订单
付费资源

第1页 / 共2页
试读已结束,还剩1页,您可下载完整版后进行离线阅读
THE END
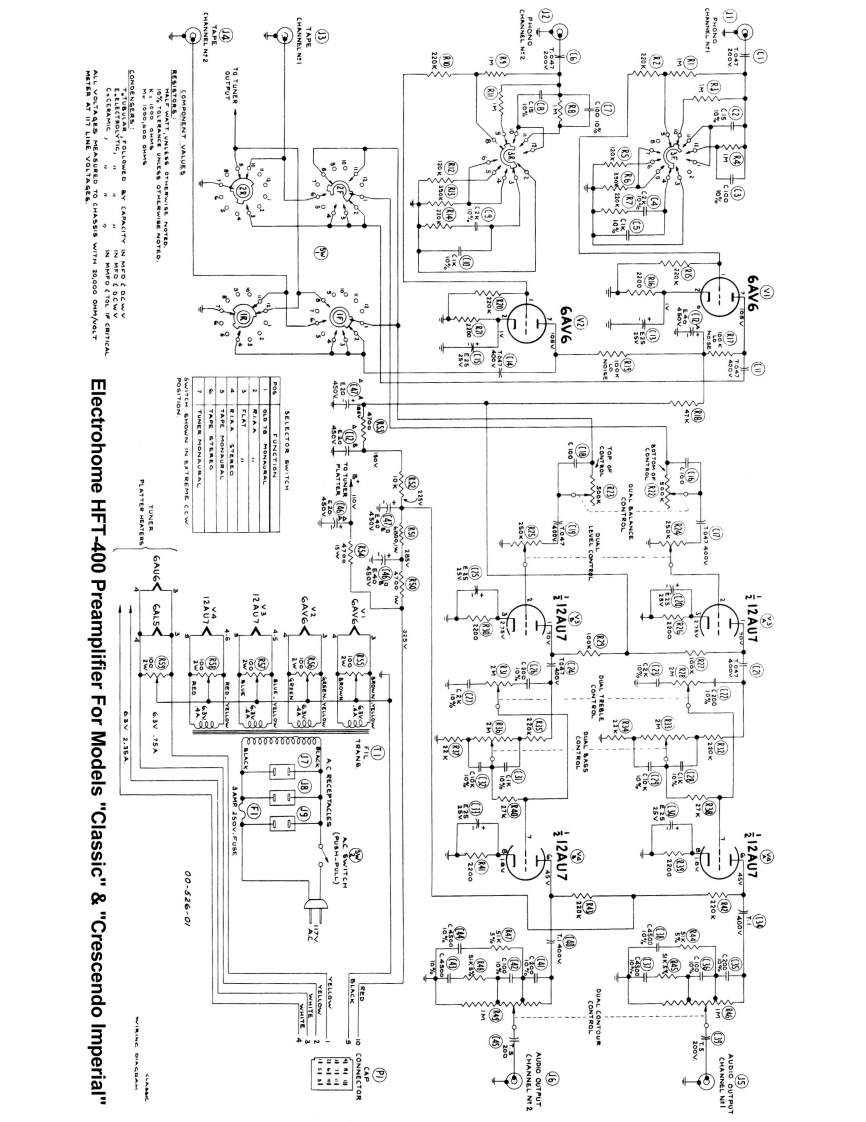
②a⊙他,回H6AV66AV66@鲜除+>广tTAPE MONAURALFUNETIONSELECTOR SWITCHElectrohome HFT-400 Preamplifier For Models "Classic"&"Crescendo Imperial"co菌12AU7878(回@ARECEPTACLES12AU712AU7牌⑤
喜欢就支持一下吧
评论 抢沙发

请登录后发表评论

    请登录后查看评论内容