ElectroVoice-A30Circlotron-pwr-维修说明书手册含电器原理图

ElectroVoice-A30Circlotron-pwr-维修说明书手册含电器原理图新质力文库 - 聚焦新质生产力发展的数字化知识库_行业洞察 / 理论成果 / 实践指南免费下载新质力文库
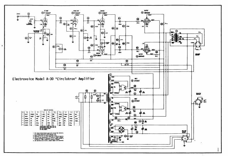
ElectroVoice-A30Circlotron-pwr-维修说明书手册含电器原理图
此内容为付费资源,请付费后查看
2232
立即购买
您当前未登录!建议登陆后购买,可保存购买订单
付费资源

第1页 / 共9页
试读已结束,还剩8页,您可下载完整版后进行离线阅读
THE END
@⊙AAx7A0@4HH7@包8009业150香0Electrovoice Model A-30 "Circlotron"Amplifier©ia1干⊙
喜欢就支持一下吧
评论 抢沙发

请登录后发表评论

    请登录后查看评论内容