Elite-RC8000-rec-电气原理图手册

Elite-RC8000-rec-电气原理图手册新质力文库 - 聚焦新质生产力发展的数字化知识库_行业洞察 / 理论成果 / 实践指南免费下载新质力文库
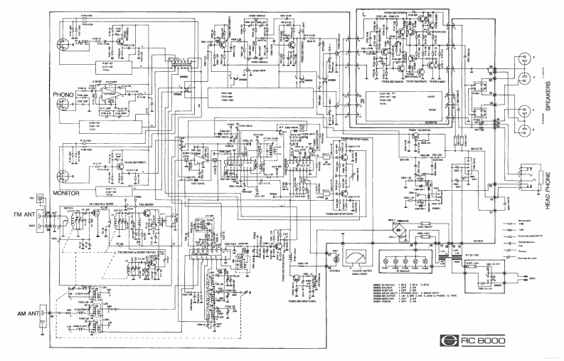
Elite-RC8000-rec-电气原理图手册
此内容为付费资源,请付费后查看
2232
立即购买
您当前未登录!建议登陆后购买,可保存购买订单
付费资源

第1页 / 共1页
已完成全部阅读,共1
THE END
TAPEPHONO用MONITORFM ANT避AM ANTHRC BOOO
喜欢就支持一下吧
评论 抢沙发

请登录后发表评论

    请登录后查看评论内容