Eltra-BellaMusica-1020_1966-rec-电气原理图手册

Eltra-BellaMusica-1020_1966-rec-电气原理图手册新质力文库 - 聚焦新质生产力发展的数字化知识库_行业洞察 / 理论成果 / 实践指南免费下载新质力文库
Eltra-BellaMusica-1020_1966-rec-电气原理图手册
此内容为付费资源,请付费后查看
2232
立即购买
您当前未登录!建议登陆后购买,可保存购买订单
付费资源

第1页 / 共1页
已完成全部阅读,共1
THE END
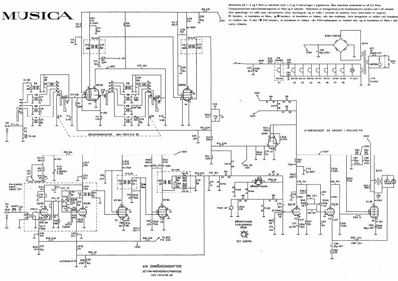
dn441.2g】可4tre444l-2e线】rwrn14a4 upe Bke mmhede modnlande te pl7a.地MUSICA98s如a1ka⑧里2相42批1n5-451每阳1a*n14442441F15-U4L,SET UDEPMAAM OHRADECMSKIFTERSET FRA MOGTASERENS TRONTS DEVISF I SALLINS LB
喜欢就支持一下吧
评论 抢沙发

请登录后发表评论

    请登录后查看评论内容